Metal Bellows Couplings GWB Z5106 | RINGFEDER®

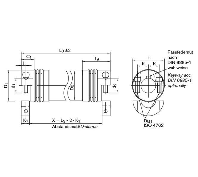
The GWB Z5106 is a backlash-free metal bellows coupling in line shaft design. Because of the double cardanic system, the compensating of high shaft displacements are possible. The clamping hubs in split hub design can be mounted lateral at the aligned shaft extensions.

Technical Data & CAD Models

Download of CAD data is available to you after login with your personal Customer or Distributor Account. You do not have an account yet? Register here without any costs or obligations.

CAD
Size
d1min
mm
d1max
mm
D1
mm
D5
mm
H
mm
L3min
mm
L3max
mm
L6
mm
T
Nm
ΔKw
Grad
TA1
Nm
18 8 25 45 40 47,5 134 3000 53 22 1 6
30 10 25 55 50 56 133 3000 52 36 1 12
60 12 35 64 60 66,5 165 3000 64 75 1 30
150 14 40 80 80 83 205 3000 72 180 1 85
200 22 44 90 90 92 218 3000 80 240 1 100
300 24 55 110 100 110 227 3000 83 360 1 120
500 35 62 119 114 122 251 3000 90 600 1 190
CAD Size
d1min
inch
d1max
inch
D1
inch
D5
inch
H
inch
L3min
inch
L3max
inch
L6
inch
T
ft-lbs
ΔKw
degree
TA1
ft-lbs
  18 0.315 0.984 1.772 1.575 1.870 5.276 118.110 2.087 16 1 4.4
  30 0.394 0.984 2.165 1.969 2.205 5.236 118.110 2.047 27 1 9
  60 0.472 1.378 2.520 2.362 2.618 6.496 118.110 2.520 55 1 22
  150 0.551 1.575 3.150 3.149 3.268 8.071 118.110 2.835 133 1 63
  200 0.866 1.732 3.543 3.543 3.622 8.583 118.110 3.150 177 1 74
  300 0.945 2.165 4.331 3.937 4.331 8.937 118.110 3.268 266 1 89
  500 1.378 2.441 4.685 4.488 4.803 9.882 118.110 3.543 443 1 140

Product Characteristics

Backlash-free Line Shafts Series

  • Torsionally stiff and flexible line shafts are used in applications where torque and rotational motion combined with the highest possible angular precision should be transmitted or considerable distances between shafts need to be bridged. The application range of line shafts covers almost all technical areas, where mechanical power transmission and stiffness are important:

Torsionally flexible line shafts with elastomeric spider

  • Absolutely backlash-free
  • Installation length up to 4 m possible
  • Compensation of axial, radial and angular misalignment
  • Cost-effective, simple assembly
  • Maintenance free
  • Variable length of the intermediate steel or aluminium tube
  • Backlash-free elastomeric spider
  • Excellent transmission of torque and compensation of misalignment
  • High transmission accuracy
  • Temperature range -30° to +120° C / -22 F to +248 F

Torsionally stiff line shafts with metal bellows

  • Absolutely backlash-free
  • Installation length up to 4 m possible
  • Compensation of axial, radial and angular misalignment
  • Aluminium lightweight construction up to size 200
  • Optional with CFK-tube
  • Maintenance free, no wear
  • Cardanical structure
  • Special stainless steel bellows
  • Excellent power transmission
  • High torsional stiffness and misalignment compensation
  • Optimal moment of inertia
  • Additional balancing holes for better concentricity
  • Temperature range -30° to +100° C / -22 F to +212 F.
  • High precision of rotation angle

Series GWB Z5106

  • Metal bellows coupling with clamping in split hub design

Characteristics

  • Metal bellows made of stainless steel, hubs made of aluminum
  • Precision line shaft made of aluminum
  • Optional line shaft made of CFK
  • Backlash-free and torsionally rigid
  • The shaft tolerance should be within the fit tolerance “g6” or “h7”
  • The contact surfaces have to be free from oil and grease
  • Optional designs with keyway DIN 6885-1

Downloads

Product Paper Metal Bellows Couplings RINGFEDER® GWB

Product Paper Metal Bellows Couplings RINGFEDER® GWB

Tech Paper Metal Bellows Couplings RINGFEDER® GWB Z5106

Tech Paper Metal Bellows Couplings RINGFEDER® GWB Z5106

Instruction Metal Bellows Couplings RINGFEDER® GWB

Instruction Metal Bellows Couplings RINGFEDER® GWB

Further downloads including certificates, instruction manuals and product images are available to you in our Download Center:

Downloads