Metal Bellows Couplings GWB EKN | RINGFEDER®

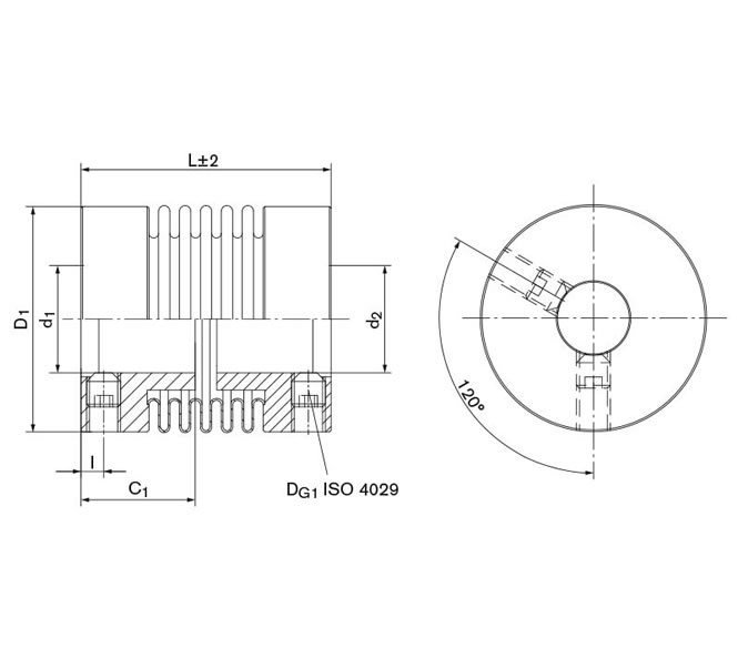
The 'EKN miniatur' is a backlash-free metal bellows coupling which boasts a very compact shape. The miniature coupling is connected to the shaft by means of radial set screws instead of a clamping hub. The element can be used in many different areas and displays all its advantages when misalignments between driver and driven components have to be compensated.

Technical Data & CAD Models

Download of CAD data is available to you after login with your personal Customer or Distributor Account. You do not have an account yet? Register here without any costs or obligations.

CAD
Size
L
mm
d1min
mm
d1max
mm
D1
mm
T
Nm
nmax
1/min
ΔKa
mm
ΔKw
Grad
ΔKr
mm
TA1
Nm
4 20 3 9 16 0,5 15000 0,2 1,2 0,1 0,5
4 23 3 9 16 0,5 15000 0,3 2,0 0,15 0,5
4 26 3 9 16 0,5 15000 0,4 2,0 0,2 0,5
9 21 3 9 16 1,1 15000 0,2 1,2 0,1 0,5
9 25 3 9 16 1,1 15000 0,3 2,0 0,15 0,5
9 28 3 9 16 1,1 15000 0,4 2,0 0,2 0,5
15 25 3 12 20 1,75 15000 0,25 1,2 0,1 1,5
15 30 3 12 20 1,75 15000 0,4 2,0 0,15 1,5
20 26 3 16 25 2,4 15000 0,3 1,2 0,1 1,5
20 32 3 16 25 2,4 15000 0,4 2,0 0,2 1,5
20 36 3 16 25 2,4 15000 0,5 2,0 0,25 1,5
45 39 6 22 33 5,5 15000 0,3 1,2 0,1 3
45 48 6 22 33 5,5 15000 0,5 2,0 0,2 3
100 44 6 28 40 12 15000 0,4 1,2 0,15 3
100 54 6 28 40 12 15000 0,5 2,0 0,25 3
CAD Size
L
inch
d1min
inch
d1max
inch
D1
inch
T
ft-lbs
nmax
rpm
ΔKa
inch
ΔKw
degree
ΔKr
inch
TA1
ft-lbs
  4 0.787 0.118 0.354 0.630 0.4 15000 0.008 1.2 0.004 0.37
  4 0.906 0.118 0.354 0.630 0.4 15000 0.012 2.0 0.006 0.37
  4 1.024 0.118 0.354 0.630 0.4 15000 0.016 2.0 0.008 0.37
  9 0.827 0.118 0.354 0.630 0.8 15000 0.008 1.2 0.004 0.37
  9 0.984 0.118 0.354 0.630 0.8 15000 0.012 2.0 0.006 0.37
  9 1.102 0.118 0.354 0.630 0.8 15000 0.016 2.0 0.008 0.37
  15 0.984 0.118 0.472 0.787 1.3 15000 0.010 1.2 0.004 1.11
  15 1.181 0.118 0.472 0.787 1.3 15000 0.016 2.0 0.006 1.11
  20 1.024 0.118 0.630 0.984 1.8 15000 0.012 1.2 0.004 1.11
  20 1.260 0.118 0.630 0.984 1.8 15000 0.016 2.0 0.008 1.11
  20 1.417 0.118 0.630 0.984 1.8 15000 0.020 2.0 0.010 1.11
  45 1.535 0.236 0.866 1.299 4.1 15000 0.012 1.2 0.004 2.21
  45 1.890 0.236 0.866 1.299 4.1 15000 0.020 2.0 0.008 2.21
  100 1.732 0.236 1.102 1.575 8.9 15000 0.016 1.2 0.006 2.21
  100 2.126 0.236 1.102 1.575 8.9 15000 0.020 2.0 0.010 2.21

Product Characteristics

  • Backlash-free transmission of torque
  • High torsional stiffness, precision of transmission of rotational angle
  • Different torsional stiffness
  • Compact design, low moment of inertia
  • Metal bellows made of stainless steel
  • Simple and safe assembly
  • Compensation of radial, axial and angular misalignment
  • Free of wear, maintenance-free, no downtimes
  • Not sensitive to temperatures between -30°C and +100°C
  • Nominal torques between 0,1 – 5000 Nm

Advantages

  • 100% inspection and traceability through individual marking
  • Higher torques at same dimensions
  • Compact design
  • Extended bore ranges
  • Customer-specific solutions
  • Higher safety in application, e.g. no wrong screw tightening torques

Backlash-free Metal Bellows Couplings are used in the sector of mechanical engineering, where a torque or a rotary motion has to be transmitted from shaft to shaft in highest accuracy of angle.

  • Pumps with axial and vertical drives
  • High dynamic portal drives
  • Spindle lifting units
  • Linear units
  • Packaging machines
  • Machine tools
  • Special machines

Series EKN

  • Miniature metal bellows coupling with radial set screws

Characteristics

  • Metal bellows made of stainless steel, hubs made of aluminum
  • The shaft tolerance should be within the fit tolerance “g6” or “h7”
  • The contact surfaces have to be free from oil and grease
  • Optional designs with keyway DIN 6885-1

Downloads

Product Paper Metal Bellows Couplings RINGFEDER® GWB

Product Paper Metal Bellows Couplings RINGFEDER® GWB

Tech Paper Metal Bellows Couplings RINGFEDER® GWB EKN

Tech Paper Metal Bellows Couplings RINGFEDER® GWB EKN

Instruction Metal Bellows Couplings RINGFEDER® GWB

Instruction Metal Bellows Couplings RINGFEDER® GWB

Further downloads including certificates, instruction manuals and product images are available to you in our Download Center:

Downloads