Metal Bellows Couplings GWB CKN | RINGFEDER®

'CKN' is the production series which grants customers a maximum of application liberties. The flange mounting offers manifold possibilities to establish a connection with the element or add hubs, flanges and fittings. Depending on the chosen model, CKN has been designed for very high torques of up to 5,000 Nm.

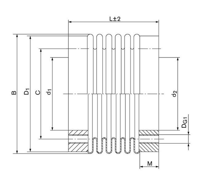
Technical Data & CAD Models

Download of CAD data is available to you after login with your personal Customer or Distributor Account. You do not have an account yet? Register here without any costs or obligations.

CAD
Size
L
mm
d1
mm
B
mm
D1
mm
T
Nm
nmax
1/min
ΔKa
mm
ΔKw
Grad
ΔKr
mm
DG1
mm
TA1
Nm
18 36 22 46 46 22 13900 0,5 1,5 0,2 M5 5,9
18 44 22 46 46 22 13900 0,5 1,5 0,2 M5 5,9
30 30 28 56 55 36 11000 0,4 1,0 0,1 M5 5,9
30 38 28 56 55 36 11000 0,5 1,5 0,2 M5 5,9
60 41 38 66 64 75 9000 0,4 1,0 0,1 M6 10
60 51 38 66 64 75 9000 0,5 1,5 0,2 M6 10
80 52 50 82 80 96 7100 0,4 1,0 0,2 M6 10
80 62 50 82 80 96 7100 0,5 1,5 0,2 M6 10
150 52 50 82 80 180 7100 0,4 1,0 0,2 M6 15
150 62 50 82 80 180 7100 0,5 1,5 0,2 M6 15
200 51 50 90 90 240 6600 0,4 1,0 0,2 M6 18
200 63 50 90 90 240 6600 0,5 1,5 0,2 M6 18
300 55 50 110 109 360 5200 0,4 1,0 0,2 M8 25
300 66 50 110 109 360 5200 0,5 1,5 0,2 M8 25
500 61 70 122 119 600 4600 0,5 1,0 0,2 M8 36
500 72 70 122 119 600 4600 1,0 1,5 0,2 M8 36
800 130 85 157 140 960 3700 1,0 1,5 0,2 M16 210
1400 130 85 157 140 1680 3700 1,0 1,5 0,2 M16 210
3000 130 100 199 180 3000 3700 1,0 1,5 0,2 M20 365
5000 143 145 250 230 5000 3000 1,0 1,5 0,2 M20 365
CAD Size
L
inch
d1
inch
B
inch
D1
inch
T
ft-lbs
nmax
rpm
ΔKa
inch
ΔKw
degree
ΔKr
inch
DG1
mm
TA1
ft-lbs
  18 1.417 0.866 1.811 1.811 16 13900 0.020 1.5 0.008 M5 4.4
  18 1.732 0.866 1.811 1.811 16 13900 0.020 1.5 0.008 M5 4.4
  30 1.181 1.102 2.205 2.165 27 11000 0.016 1.0 0.004 M5 4.4
  30 1.496 1.102 2.205 2.165 27 11000 0.020 1.5 0.008 M5 4.4
  60 1.614 1.496 2.598 2.520 55 9000 0.016 1.0 0.004 M6 7.4
  60 2.008 1.496 2.598 2.520 55 9000 0.020 1.5 0.008 M6 7.4
  80 2.047 1.969 3.228 3.150 71 7100 0.016 1.0 0.008 M6 7.4
  80 2.441 1.969 3.228 3.150 71 7100 0.020 1.5 0.008 M6 7.4
  150 2.047 1.969 3.228 3.150 133 7100 0.016 1.0 0.008 M6 11.0
  150 2.441 1.969 3.228 3.150 133 7100 0.020 1.5 0.008 M6 11.0
  200 2.008 1.969 3.543 3.543 177 6600 0.016 1.0 0.008 M6 13.0
  200 2.480 1.969 3.543 3.543 177 6600 0.020 1.5 0.008 M6 13.0
  300 2.165 1.969 4.331 4.291 266 5200 0.016 1.0 0.008 M8 18.0
  300 2.598 1.969 4.331 4.291 266 5200 0.020 1.5 0.008 M8 18.0
  500 2.402 2.756 4.803 4.685 443 4600 0.020 1.0 0.008 M8 27.0
  500 2.835 2.756 4.803 4.685 443 4600 0.039 1.5 0.008 M8 27.0
  800 5.118 3.346 6.181 5.512 708 3700 0.039 1.5 0.008 M16 155.0
  1400 5.118 3.346 6.181 5.512 1239 3700 0.039 1.5 0.008 M16 155.0
  3000 5.118 3.937 7.835 7.087 2213 3700 0.039 1.5 0.008 M20 269.0
  5000 5.630 5.709 9.843 9.055 3688 3000 0.039 1.5 0.008 M20 269.0

Product Characteristics

  • Backlash-free transmission of torque
  • High torsional stiffness, precision of transmission of rotational angle
  • Different torsional stiffness
  • Compact design, low moment of inertia
  • Metal bellows made of stainless steel
  • Simple and safe assembly
  • Compensation of radial, axial and angular misalignment
  • Free of wear, maintenance-free, no downtimes
  • Not sensitive to temperatures between -30°C and +100°C
  • Nominal torques between 0,1 – 5000 Nm

Advantages

  • 100% inspection and traceability through individual marking
  • Higher torques at same dimensions
  • Compact design
  • Extended bore ranges
  • Customer-specific solutions
  • Higher safety in application, e.g. no wrong screw tightening torques

Backlash-free Metal Bellows Couplings are used in the sector of mechanical engineering, where a torque or a rotary motion has to be transmitted from shaft to shaft in highest accuracy of angle.

  • Pumps with axial and vertical drives
  • High dynamic portal drives
  • Spindle lifting units
  • Linear units
  • Packaging machines
  • Machine tools
  • Special machines

Series CKN

  • Metal bellows coupling with flange

Characteristics

  • Metal bellows made of stainless steel
  • Hubs up to size 500 made of aluminum, sizes 800 – 5000 hubs made of steel
  • The contact surfaces have to be free from oil and grease
  • Optional special design in stainless steel

Downloads

Product Paper Metal Bellows Couplings RINGFEDER® GWB

Product Paper Metal Bellows Couplings RINGFEDER® GWB

Tech Paper Metal Bellows Couplings RINGFEDER® GWB CKN

Tech Paper Metal Bellows Couplings RINGFEDER® GWB CKN

Instruction Metal Bellows Couplings RINGFEDER® GWB

Instruction Metal Bellows Couplings RINGFEDER® GWB

Further downloads including certificates, instruction manuals and product images are available to you in our Download Center:

Downloads