Metal Bellows Couplings GWB AKD | RINGFEDER®

The production series 'AKD' offers the traditional metal bellows coupling which can be used for a wide range of applications. Its core characteristics are the backlash-free transmission of torque, high torsional stiffness, and excellent compensation of angular, axial and radial misalignments. Operational safety and easy assembly are two more factors speaking in favour of AKD.

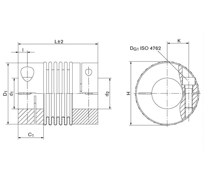
Technical Data & CAD Models

Download of CAD data is available to you after login with your personal Customer or Distributor Account. You do not have an account yet? Register here without any costs or obligations.

CAD
Size
L
mm
d1min
mm
d1max
mm
H
mm
T
Nm
nmax
1/min
ΔKa
mm
ΔKw
Grad
ΔKr
mm
DG1
mm
TA1
Nm
18 71 8 26 47 22 12700 0,5 1,5 0,2 5 6
30 73 10 30 56 36 10200 0,5 1,5 0,2 6 12
60 89 12 35 67 75 8600 0,5 1,5 0,2 8 30
80 103 14 42 84 95 6800 0,5 1,5 0,2 10 60
150 103 14 42 84 180 6800 0,5 1,5 0,2 10 85
200 113 22 46 93 240 6300 0,5 1,5 0,2 12 100
300 115 24 60 110 360 5900 0,5 1,5 0,2 12 120
500 122 35 64 122 600 4900 1 1,5 0,2 14 190
800 140 40 75 139 800 5000 3,5 1,5 0,35 16 250
CAD Size
L
inch
d1min
inch
d1max
inch
H
inch
T
ft-lbs
nmax
rpm
ΔKa
inch
ΔKw
degree
ΔKr
inch
DG1
mm
TA1
ft-lbs
  18 2.795 0.315 1.024 1.850 16 12700 0.020 1.5 0.008 5 4.4
  30 2.874 0.394 1.181 2.205 27 10200 0.020 1.5 0.008 6 9
  60 3.504 0.472 1.378 2.638 55 8600 0.020 1.5 0.008 8 22
  80 4.055 0.551 1.654 3.307 70 6800 0.020 1.5 0.008 10 44
  150 4.055 0.551 1.654 3.307 133 6800 0.020 1.5 0.008 10 63
  200 4.449 0.866 1.811 3.661 177 6300 0.020 1.5 0.008 12 74
  300 4.528 0.945 2.362 4.331 266 5900 0.020 1.5 0.008 12 89
  500 4.803 1.378 2.520 4.803 443 4900 0.039 1.5 0.008 14 140
  800 5.512 1.575 2.953 5.472 590 5000 0.138 1.5 0.014 16 184

Product Characteristics

  • Backlash-free transmission of torque
  • High torsional stiffness, precision of transmission of rotational angle
  • Different torsional stiffness
  • Compact design, low moment of inertia
  • Metal bellows made of stainless steel
  • Simple and safe assembly
  • Compensation of radial, axial and angular misalignment
  • Free of wear, maintenance-free, no downtimes
  • Not sensitive to temperatures between -30°C and +100°C
  • Nominal torques between 0,1 – 5000 Nm

Advantages

  • 100% inspection and traceability through individual marking
  • Higher torques at same dimensions
  • Compact design
  • Extended bore ranges
  • Customer-specific solutions
  • Higher safety in application, e.g. no wrong screw tightening torques

Backlash-free Metal Bellows Couplings are used in the sector of mechanical engineering, where a torque or a rotary motion has to be transmitted from shaft to shaft in highest accuracy of angle.

  • Pumps with axial and vertical drives
  • High dynamic portal drives
  • Spindle lifting units
  • Linear units
  • Packaging machines
  • Machine tools
  • Special machines

Series AKD

  • Metal bellows coupling with clamping hubs

Characteristics

  • Metal bellows made of stainless steel, hubs made of aluminum/hubs from size 800 made of steel
  • The shaft tolerance should be within the fit tolerance “g6” or “h7”
  • The contact surfaces have to be free from oil and grease
  • Optional designs with keyway DIN 6885-1
  • Optional special design in stainless steel
  • Other sizes available on request

Downloads

Product Paper Metal Bellows Couplings RINGFEDER® GWB

Product Paper Metal Bellows Couplings RINGFEDER® GWB

Tech Paper Metal Bellows Couplings RINGFEDER® GWB AKD

Tech Paper Metal Bellows Couplings RINGFEDER® GWB AKD

Instruction Metal Bellows Couplings RINGFEDER® GWB

Instruction Metal Bellows Couplings RINGFEDER® GWB

Further downloads including certificates, instruction manuals and product images are available to you in our Download Center:

Downloads