Metal Bellows Couplings GWB AK | RINGFEDER®

Metal bellows couplings from the 'AK' series have been designed especially for the backlash-free transmission of high torques of up to 5,000 Nm. The elements are mounted on driver and driven components with tapered clamping bushings. Depending on the required size, the coupling will be produced with hubs made of aluminum or stainless steel. In addition, AK guarantees for perfect concentric running.

Technical Data & CAD Models

Download of CAD data is available to you after login with your personal Customer or Distributor Account. You do not have an account yet? Register here without any costs or obligations.

CAD
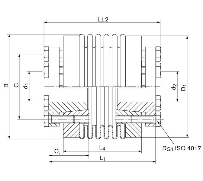
Size
L
mm
d1min
mm
d1max
mm
B
mm
T
Nm
nmax
1/min
ΔKa
mm
ΔKw
Grad
ΔKr
mm
DG1
mm
TA1
Nm
30 52 9 20 56 36 11000 0,4 1,0 0,1 4 3
30 60 9 20 56 36 11000 0,5 1,5 0,2 4 3
60 63 12 25 66 72 9100 0,4 1,0 0,1 6 8,5
60 73 12 25 66 72 9100 0,5 1,5 0,2 6 8,5
80 79 15 35 82 96 7000 0,4 1,0 0,2 6 10
80 91 15 35 82 96 7000 0,5 1,5 0,2 6 10
150 79 15 35 82 180 7000 0,4 1,0 0,2 6 14
150 91 15 35 82 180 7000 0,5 1,5 0,2 6 14
200 80 15 35 90 240 6700 0,4 1,0 0,2 6 14
200 80 35,1 42 90 240 6700 0,4 1,0 0,2 6 14
200 93 15 35 90 240 6700 0,5 1,5 0,2 6 14
200 93 35,1 42 90 240 6700 0,5 1,5 0,2 6 14
300 93 15 42 110 360 5200 0,4 1,0 0,2 8 18
300 93 30 50 110 360 5200 0,4 1,0 0,2 8 18
300 104 15 42 110 360 5200 0,5 1,5 0,2 8 18
300 104 30 50 110 360 5200 0,5 1,5 0,2 8 18
500 102 24 50 122 600 4600 0,5 1,0 0,2 8 26
500 102 40 55 122 600 4600 0,5 1,0 0,2 8 26
500 113 24 50 122 600 4600 1 1,5 0,2 8 26
500 113 40 55 122 600 4600 1,0 1,5 0,2 8 26
800 170 30 60 157 800 3700 1 1,5 0,2 16 50
800 170 60,1 70 157 800 3700 1,0 1,5 0,2 16 50
1400 170 35 60 157 1400 3700 1 1,5 0,2 16 80
1400 170 60 70 157 1400 3700 1,0 1,5 0,2 16 80
3000 191 50 70 199 3000 2800 1 1,5 0,2 16 130
3000 191 70,1 80 199 3000 2800 1,0 1,5 0,2 16 130
5000 199 60 70 250 5000 2800 1 1,5 0,2 16 210
5000 199 70,1 90 250 5000 2800 1,0 1,5 0,2 16 210
CAD Size
L
inch
d1min
inch
d1max
inch
B
inch
T
ft-lbs
nmax
rpm
ΔKa
inch
ΔKw
degree
ΔKr
inch
DG1
mm
TA1
ft-lbs
  30 2.047 0.354 0.787 2.205 27 11000 0.016 1.0 0.004 4 2.2
  30 2.362 0.354 0.787 2.205 27 11000 0.020 1.5 0.008 4 2.2
  60 2.480 0.472 0.984 2.598 53 9100 0.016 1.0 0.004 6 6.3
  60 2.874 0.472 0.984 2.598 53 9100 0.020 1.5 0.008 6 6.3
  80 3.110 0.591 1.378 3.228 71 7000 0.016 1.0 0.008 6 7.4
  80 3.583 0.591 1.378 3.228 71 7000 0.020 1.5 0.008 6 7.4
  150 3.110 0.591 1.378 3.228 133 7000 0.016 1.0 0.008 6 10.0
  150 3.583 0.591 1.378 3.228 133 7000 0.020 1.5 0.008 6 10.0
  200 3.150 0.591 1.378 3.543 177 6700 0.016 1.0 0.008 6 10.0
  200 3.150 1.382 1.654 3.543 177 6700 0.016 1.0 0.008 6 10.3
  200 3.661 0.591 1.378 3.543 177 6700 0.020 1.5 0.008 6 10.0
  200 3.661 1.382 1.654 3.543 177 6700 0.020 1.5 0.008 6 10.3
  300 3.661 0.591 1.654 4.331 266 5200 0.016 1.0 0.008 8 13.0
  300 3.661 1.181 1.969 4.331 266 5200 0.016 1.0 0.008 8 13.3
  300 4.094 0.591 1.654 4.331 266 5200 0.020 1.5 0.008 8 13.0
  300 4.094 1.181 1.969 4.331 266 5200 0.020 1.5 0.008 8 13.3
  500 4.016 0.945 1.969 4.803 443 4600 0.020 1.0 0.008 8 19.0
  500 4.016 1.575 2.165 4.803 443 4600 0.020 1.0 0.008 8 19.2
  500 4.449 0.945 1.969 4.803 443 4600 0.039 1.5 0.008 8 19.0
  500 4.449 1.575 2.165 4.803 443 4600 0.039 1.5 0.008 8 19.2
  800 6.693 1.181 2.362 6.181 590 3700 0.039 1.5 0.008 16 37.0
  800 6.693 2.366 2.756 6.181 590 3700 0.039 1.5 0.008 16 36.9
  1400 6.693 1.378 2.362 6.181 1033 3700 0.039 1.5 0.008 16 59.0
  1400 6.693 2.362 2.756 6.181 1033 3700 0.039 1.5 0.008 16 59.0
  3000 7.520 1.969 2.756 7.835 2213 2800 0.039 1.5 0.008 16 96.0
  3000 7.520 2.760 3.150 7.835 2213 2800 0.039 1.5 0.008 16 95.9
  5000 7.835 2.362 2.756 9.843 3688 2800 0.039 1.5 0.008 16 155.0
  5000 7.835 2.760 3.543 9.843 3688 2800 0.039 1.5 0.008 16 154.9

Product Characteristics

  • Backlash-free transmission of torque
  • High torsional stiffness, precision of transmission of rotational angle
  • Different torsional stiffness
  • Compact design, low moment of inertia
  • Metal bellows made of stainless steel
  • Simple and safe assembly
  • Compensation of radial, axial and angular misalignment
  • Free of wear, maintenance-free, no downtimes
  • Not sensitive to temperatures between -30°C and + 100°C
  • Nominal torques between 0,1 – 5000 Nm

Advantages

  • 100% inspection and traceability through individual marking
  • Higher torques at same dimensions
  • Compact design
  • Extended bore ranges
  • Customer-specific solutions
  • Higher safety in application, e.g. no wrong screw tightening torques

Backlash-free Metal Bellows Couplings are used in the sector of mechanical engineering, where a torque or a rotary motion has to be transmitted from shaft to shaft in highest accuracy of angle.

  • Pumps with axial and vertical drives
  • High dynamic portal drives
  • Spindle lifting units
  • Linear units
  • Packaging machines
  • Machine tools
  • Special machines

Series AK

  • Metal bellows coupling with inner conical hub

Characteristics

  • Metal bellows made of stainless steel, conical bushings made of steel
  • Hubs up to size 500 made of aluminum, sizes 800 – 5000 hubs made of steel
  • The shaft tolerance should be within the fit tolerance “g6” or “h7”
  • The contact surfaces have to be free from oil and grease
  • Optional special design in stainless steel

Downloads

Product Paper Metal Bellows Couplings RINGFEDER® GWB

Product Paper Metal Bellows Couplings RINGFEDER® GWB

Tech Paper Metal Bellows Couplings RINGFEDER® GWB AK

Tech Paper Metal Bellows Couplings RINGFEDER® GWB AK

Instruction Metal Bellows Couplings RINGFEDER® GWB

Instruction Metal Bellows Couplings RINGFEDER® GWB

Further downloads including certificates, instruction manuals and product images are available to you in our Download Center:

Downloads