Gear Couplings TNZ ZCAUU / TNZ ZCBUU | RINGFEDER®

Extended universal hubs

Unlike the model TNZ ZCA, the RINGFEDER® TNZ ZCAUU has two elongated hubs the length of which can be adapted to the plant requirements.

Compared to the TNZ ZCAUU, the coupling model RINGFEDER® TNZ ZCBUU is equipped with an O-ring carrier which facilitates installation by changing the mounting sequence. For mounting the coupling, unscrew the cover and place it on the shaft. Mount the hub onto the shaft, slide the sleeve onto the hub and fasten the O-ring carrier to the sleeve. This way of mounting is advantageous when large couplings are involved. Like the model ZCAUU, the ZCBUU has two elongated hubs the length of which can be adapted to the plant requirements

 

Technical Data & CAD Models

Download of CAD data is available to you after login with your personal Customer or Distributor Account. You do not have an account yet? Register here without any costs or obligations.

CAD
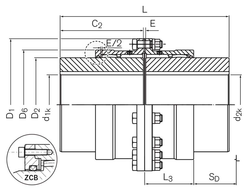
Größe/Size
Bezeichnung / Identifier
ZCA

TKN
Nm
nmax
1/min
d1kmin
mm
d1kmax
mm
D1
mm
D6
mm
L
mm
Gwsb
kg
69 XC2306 1750 6000 12 50 111 81,5 213 7,5
85 XC2308 2750 4600 18 60 152 103,5 233 14,0
107 XC2310 5500 4200 28 75 178 127,5 263 23,1
133 XC2313 8500 4000 40 95 213 156 305 39,8
152 XC2315 13500 3850 50 110 240 181 345 57,1
179 XC2317 22000 3700 60 130 280 209 376 86,0
209 XC2320 35000 3200 70 155 318 245,5 436 133,1
234 XC2323 43000 2900 85 170 346 274 498 179,1
254 XC2325 68000 2600 95 190 389 307 598 263,7
279 XC2327 82000 2300 110 210 425 334,5 608 318,1
305 XC2330 150000 2100 120 230 457 366 618 374,4
355 XC2335 195000 1800 130 270 527 423 630 531,4
CAD Größe/Size
Bezeichnung / Identifier
ZCA

TKN
ft-lbs
nmax
rpm
d1kmin
inch
d1kmax
inch
D1
inch
D6
inch
L
inch
Gwsb
lbs
  69 XC2306 1291 6000 0.472 1.969 4.370 3.209 8.386 16.6
  85 XC2308 2028 4600 0.709 2.362 5.984 4.075 9.173 30.9
  107 XC2310 4057 4200 1.102 2.953 7.008 5.020 10.354 50.9
  133 XC2313 6269 4000 1.575 3.740 8.386 6.142 12.008 87.7
  152 XC2315 9957 3850 1.969 4.331 9.449 7.126 13.583 125.9
  179 XC2317 16227 3700 2.362 5.118 11.024 8.228 14.803 189.6
  209 XC2320 25815 3200 2.756 6.102 12.520 9.665 17.165 293.4
  234 XC2323 31716 2900 3.346 6.693 13.622 10.787 19.606 394.8
  254 XC2325 50155 2600 3.740 7.480 15.315 12.087 23.543 581.4
  279 XC2327 60481 2300 4.331 8.268 16.732 13.169 23.937 701.3
  305 XC2330 110636 2100 4.724 9.055 17.992 14.409 24.331 825.4
  355 XC2335 143826 1800 5.118 10.630 20.748 16.654 24.803 1171.5

Product Characteristics

General features

  • Torsionally rigid gear coupling made of high-quality steel
  • Very compact design results in a high-power density
  • Compensates for angular, radial and axial shaft offset
  • Suitable for use in temperatures up to +120 °C if special seals are used
  • Available with split sleeve (ZCA / ZCB - ZCA model range also available in ZCB design) and single-piece sleeve (ZCH)
  • The elastic O-ring can be replaced without having to move the coupled machines
  • Bores up to 270 mm
  • Torques up to TKn = 195,000 Nm / TKmax = 390,000 Nm
  • Speeds up to nmax = 6,000 rpm

General description

The RINGFEDER® TNZ coupling is a torsionally rigid twin cardanic gear coupling.

Toothing

The coupling housings have a straight internal toothing whilst the hubs have an external toothing with a chased variable radius. As a result, the hubs can move spatially within the housing and thus compensate angular, radial and axial shaft misalignment of the adjoined shaft ends within specified tolerances. Depending on coupling type and size, the standard toothing permits an angular misalignment of up to 0.5 degrees per toothing-plane and an axial movement of several millimetres. The max. possible radial shaft displacement is dependent on the distance between the two toothing planes. Other toothing geometries can be used for further specific applications.

Materials

High-grade tooth profiles and grease with ultra high-pressure additives guarantee low-restoring forces and a long serviceable life. The material used is forged steel with an apparent yielding point of at least 335 N/mm2. Special materials can be used for further specific applications. Sealing is carried out using O-rings of synthetic rubber. The housings are centred and held together by fit-bolts and self-locking nuts.

Temperature

The use of special seals permits the temperature limit to be raised to 120 °C.

Balance

At peripheral speeds upwards of 30 m/s it is advisable to dynamically balance the coupling.

Special applications

If greater misalignments are anticipated at higher speeds and torques, an examination is necessary, performed with the assistance of a special computing programme. This is independent of the determined size. The value TKmax may not be exceeded in any state of operation (start-up, electrical short circuit, blocking, etc.).

Tolerances and standards

The bore tolerance is ISO H7, if not differently ordered. The bore diameters listed refer to keyways to DIN 6885-1 with wide toleranz ISO P9.

 

Downloads

Product Paper Gear Couplings RINGFEDER® TNZ

Product Paper Gear Couplings RINGFEDER® TNZ

Tech Paper Gear Couplings RINGFEDER® TNZ ZCAUU / TNZ ZCBUU

Tech Paper Gear Couplings RINGFEDER® TNZ ZCAUU / TNZ ZCBUU

Instruction Manual Gear Couplings RINGFEDER® TNZ ZCA / TNZ ZCB, TNZ ZCAU / TNZ ZCBU, TNZ ZCAUU / TNZ ZCBUU

Instruction Manual Gear Couplings RINGFEDER® TNZ ZCA / TNZ ZCB, TNZ ZCAU / TNZ ZCBU, TNZ ZCAUU / TNZ ZCBUU

Further downloads including certificates, instruction manuals and product images are available to you in our Download Center:

Downloads