Elastomer Jaw Couplings TNS SV | RINGFEDER®

The RINGFEDER® TNS SV coupling is a torsionally flexible, fail-safe claw coupling which is particularly suited for use with hydrodynamic couplings. It balances out angular, radial and axial shaft misalignments within defined limits. The coupling transfers the torque via pressure loadable, elastic buffers of synthetic rubber (Pb) or polyurethane (VkR)and are connected to each other to form an elastic intermediate ring. The elastic intermediate ring can cushion impacts and torsional vibrations; it is oil-resistant. Intermediate rings made of Perbunan are electrically conductive.

Technical Data & CAD Models

Download of CAD data is available to you after login with your personal Customer or Distributor Account. You do not have an account yet? Register here without any costs or obligations.

CAD
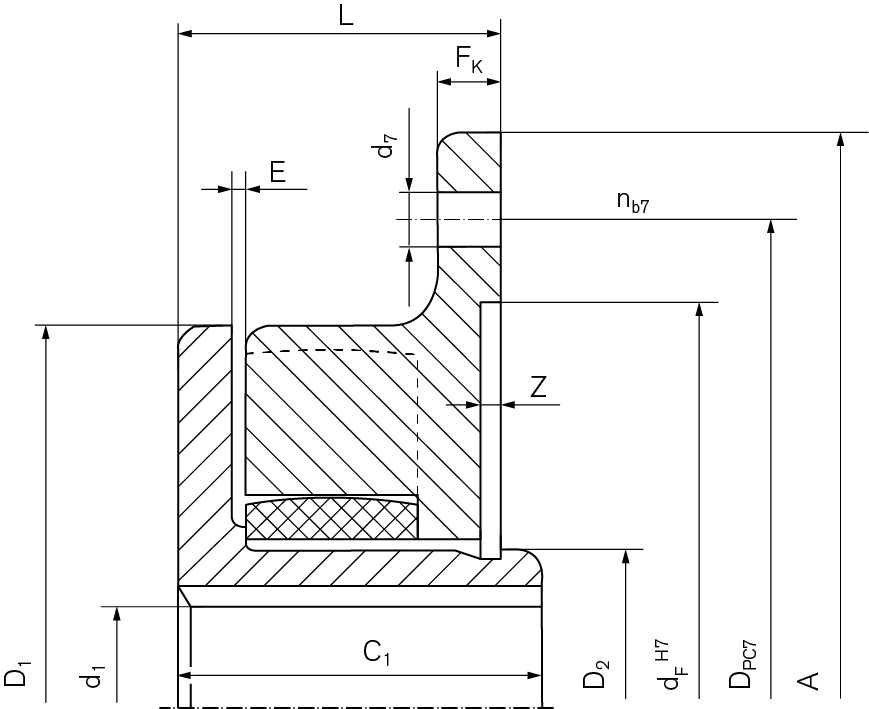
Identifier
Size
TKN
Nm
nmax
1/min
d1kmax
mm
A
mm
D1
mm
C1
mm
DPC7
mm
L
mm
Gwub
kg
WS1410 100 70 7250 27 145 105 50 128 42 1,7
WS1412 125 128 6000 34 170 126 57 148 47 2,8
WS1414 145 220 5250 42 194 145 65 172 55 4,3
WS1417 170 340 4500 58 220 170 75 195 60 6,8
WS1420 200 590 3750 65 250 200 85 228 65 10,4
WS1423 230 900 3250 70 290 230 90 265 70 13,4
WS1426 260 1400 3000 90 335 260 110 310 85,5 22,8
WS1430 300 2090 2500 105 385 300 130 360 100 36,2
WS1436-0650 360 3450 2150 140 455 360 175 420 123 71,4
WS1436-0750 360 3450 2150 140 514 360 175 480 125 75,4
WS1440 400 4750 1900 160 514 400 180 480 125 94,9
WS1440-0866 400 4750 1900 160 595 400 180 555 125 99,5
CAD Identifier
Size
TKN
ft-lbs
nmax
rpm
d1kmax
inch
A
inch
D1
inch
C1
inch
DPC7
inch
L
inch
Gwub
lbs
  WS1410 100 52 7250 1.063 5.709 4.134 1.969 5.039 1.654 3.75
  WS1412 125 94 6000 1.339 6.693 4.961 2.244 5.827 1.850 6.17
  WS1414 145 162 5250 1.654 7.638 5.709 2.559 6.772 2.165 9.48
  WS1417 170 251 4500 2.283 8.661 6.693 2.953 7.677 2.362 14.99
  WS1420 200 435 3750 2.559 9.843 7.874 3.346 8.976 2.559 22.93
  WS1423 230 664 3250 2.756 11.417 9.055 3.543 10.433 2.756 29.54
  WS1426 260 1033 3000 3.543 13.189 10.236 4.331 12.205 3.366 50.27
  WS1430 300 1542 2500 4.134 15.157 11.811 5.118 14.173 3.937 79.81
  WS1436-0650 360 - 650 2545 2150 5.512 17.913 14.173 6.890 16.535 4.843 157.41
  WS1436-0750 360 - 750 2545 2150 5.512 20.236 14.173 6.890 18.898 4.921 166.23
  WS1440 400 3503 1900 6.299 20.236 15.748 7.087 18.898 4.921 209.22
  WS1440-0866 400 - 866 3503 1900 6.299 23.425 15.748 7.087 21.850 4.921 219.36

Product Characteristics

RINGFEDER® TNS SV

Elastic claw coupling with inner hub and claw flange.
The intermediate ring can be replaced after shifting a shaft with fitted hub.


Notes

  • Standard material for intermediate ring: Pb82
  • Installed size L must be maintained without fail. Axial displacement e.g. by thermal expansions of the connected shafts, must be taken into account through allowances for value L.

General features

  • Torsionally flexible, compensate for angular, radial and axial shaft offset
  • Intermediate rings loaded in compression
  • Elastomers available in various shore hardness degrees
  • Suitable for temperatures from –30°C to +100°C
  • Coupling outer diameter up to 400 mm, flange outer diameter 690mm.
  • Bores up to max. 160 mm
  • Torques with intermediate ring VkR up to TKn = 8,900 Nm / TKmax = 26,700 Nm
  • Speeds up to nmax = 7,250 rpm
  • Flange design short version.

INTRODUCTION

The rotationally resilient coupling of the RINGFEDER® TNS coupling is flexible in all directions and therefore compensates for angular, parallel and axial shaft misalignments of the connected machines. Misalignments can be caused, for example, by inaccurate assembly, heat movements or settling phenomena.

Elastic intermediate ring

With the RINGFEDER®-TNS coupling, the torque is transmitted via a compressed elastic intermediate ring. The elastic intermediate ring absorbs shocks and torsional vibrations, is resistant to oil and largely insensitive to temperature.
The strength of different elastomer materials is indicated by their Shore hardness. Elastomers of different strengths are colour-coded for identification. Further details concerning the strength and load capacity are available on request in the technical data sheet.

Elastomer Materials

The elastic intermediate rings of RINGFEDER® TNS are made of butadiene-nitril-rubber (Pb82) or polyurethane (VkR). The black buffer (Pb82) are normally electrically conductive and therefore prevent undesirable electrostatic charges. The red (VkR) ring ensure electrical insulation between connected machines as long as there are no other electrically conductive connections. The resilience of the individual elastomer materials is designated by their Shore hardness. From these values an indirect conclusion can be drawn with respect to the torques the coupling is able to transmit and its spring stiffness. For further details, please see the technical data sheet.

Avoiding Torsional Vibration

By virtue of the rotational resilience of the coupling, dangerous torsional vibrations from the operational range of plant machinery can be transferred to rotational speed ranges in which no negative effects are to be expected. The elastic intermediate rings possess a high material damping capability which makes it possible for the couplings to keep the resonance enhancements within limits when passing through dangerous speed ranges, thereby protecting the coupled machines against damage. The couplings also mitigate torque shocks and cause a vibrating system that has been excited by an impact to come to rest very quickly due to the material damping qualities. The conduction of structure-borne noise is prevented.

Environmental conditions

The employed elastomer materials operate reliably in ambient temperature ranges of –30° to +100°C. Please contact RINGFEDER POWER TRANSMISSION if higher ambient temperatures are involved. The influence of the temperature on the coupling size selection is explained in more detail in the below-mentioned design directives. It is only allowed to operate the coupling in normal industrial air. Aggressive media may attack the coupling components, bolts and elastic elements, and, therefore, present a danger to the operational safety of the coupling. The coupling can be declared compliant with the European Directive 2014/34/EU (ATEX). Please contact RINGFEDER POWER TRANSMISSION regarding the declaration of conformity according to 2014/34/EU and the effects of aggressive ambient media.

 

Downloads

Product Paper Elastomer Jaw Couplings RINGFEDER® GWE, TNM, TNS, TNB

Product Paper Elastomer Jaw Couplings RINGFEDER® GWE, TNM, TNS, TNB

Tech Paper Elastomer Jaw Couplings RINGFEDER® TNS SV

Tech Paper Elastomer Jaw Couplings RINGFEDER® TNS SV

Instruction Manual Elastomer Jaw Couplings RINGFEDER® TNS SV

Instruction Manual Elastomer Jaw Couplings RINGFEDER® TNS SV

Further downloads including certificates, instruction manuals and product images are available to you in our Download Center:

Downloads