Elastomer Jaw Couplings TNM LG | RINGFEDER®

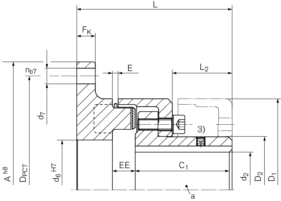
Three-part design with screw-in flange externally centered

The RINGFEDER® TNM LG couplings are torsionally flexible, puncture proof claw couplings. They compensate for angular, radial and axial shaft misalignments within defined limits. The coupling transmits torque through elastic buffers loaded in compression. These buffers come in synthetic rubber (Pb), and are connected to each other to form an intermediate buffer ring. The buffer ring dampens shocks and torsional vibrations. It is resistant to oil and electrically conductive. One of the coupling halves consists of two parts which allows for the easy separation of the coupled machines. The direction of rotation can be checked after having retracted the claw ring. It is also possible to radially remove a coupling half. The buffer ring can be replaced without having to displace the machines. The coupling is suitable for use in both directions of rotation and any installation position.

Technical Data & CAD Models

Download of CAD data is available to you after login with your personal Customer or Distributor Account. You do not have an account yet? Register here without any costs or obligations.

CAD
Bezeichnung / Identifier

D1


mm
TKNPb82
Nm
nmax
1/min
d1kmax
mm
D1
mm
C1
mm
FK
mm
DPC7
mm
d7
mm
L
mm
Gwub
kg
WN0908-120 120 75 8000 32 82 40 8 108 6,6 68 1,8
WN0909-144 144 150 7000 39 97 49 10 128 9 83 2,9
WN0911-158 158 230 6000 46 112 58 10 142 9 95 4,4
WN0912-180 180 380 5000 53 128 68 13 160 11 109 6,7
WN0914-200 200 600 4500 65 148 78 13 180 11 124 9,8
WN0916-220 220 980 4000 75 168 87 13 200 11 142 14,0
WN0919-248 248 1650 3500 85 194 97 16 224 14 159 21,0
WN0921-274 274 2400 3000 95 214 107 16 250 14 175 27,9
WN0924-314 314 3700 2750 100 240 117 20 282 18 192 37,6
WN0926-344 344 5800 2500 115 265 137 20 312 18 220 53,4
WN0929-380 380 7550 2250 130 295 147 22 348 18 236 70,2
WN0933-430 430 9900 2000 135 330 156 25 390 22 252 91,7
WN0937-480 480 14000 1750 160 370 176 25 440 22 281 126,0
WN0941-575 575 20500 1500 180 415 196 30 528 26 306 183,9
WN0948-615 615 28000 1400 200 480 220 30 568 26 330 244,7
WN0957-692 692 41000 1200 260 575 240 30 645 26 350 370,1
CAD Bezeichnung / Identifier

D1


inch
TKNPb82
ft-lbs
nmax
rpm
d1f max
inch
D1
inch
C1
inch
FK
inch
DPC7
inch
d7
inch
L
inch
Gwub
lbs
  WN0908-120 4.724 55 8000 1.260 3.228 1.575 0.315 4.252 0.260 2.677 3.97
  WN0909-144 5.669 111 7000 1.535 3.819 1.929 0.394 5.039 0.354 3.268 6.39
  WN0911-158 6.220 170 6000 1.811 4.409 2.283 0.394 5.591 0.354 3.740 9.70
  WN0912-180 7.087 280 5000 2.087 5.039 2.677 0.512 6.299 0.433 4.291 14.77
  WN0914-200 7.874 443 4500 2.559 5.827 3.071 0.512 7.087 0.433 4.882 21.61
  WN0916-220 8.661 723 4000 2.953 6.614 3.425 0.512 7.874 0.433 5.591 30.86
  WN0919-248 9.764 1217 3500 3.346 7.638 3.819 0.630 8.819 0.551 6.260 46.30
  WN0921-274 10.787 1770 3000 3.740 8.425 4.213 0.630 9.843 0.551 6.890 61.51
  WN0924-314 12.362 2729 2750 3.937 9.449 4.606 0.787 11.102 0.709 7.559 82.89
  WN0926-344 13.543 4278 2500 4.528 10.433 5.394 0.787 12.283 0.709 8.661 117.73
  WN0929-380 14.961 5569 2250 5.118 11.614 5.787 0.866 13.701 0.709 9.291 154.76
  WN0933-430 16.929 7302 2000 5.315 12.992 6.142 0.984 15.354 0.866 9.921 202.16
  WN0937-480 18.898 10326 1750 6.299 14.567 6.929 0.984 17.323 0.866 11.063 277.78
  WN0941-575 22.638 15120 1500 7.087 16.339 7.717 1.181 20.787 1.024 12.047 405.43
  WN0948-615 24.213 20652 1400 7.874 18.898 8.661 1.181 22.362 1.024 12.992 539.47
  WN0957-692 27.244 30240 1200 10.236 22.638 9.449 1.181 25.394 1.024 13.780 815.93

Product Characteristics

RINGFEDER® TNM LG

Three-part design, to change the intermediate ring without axial movement of the driven parts with flange, externally centred. Elastic intermediate ring in different hardnesses: standard Pb72, hard Pb82.

General features

  • Torsionally flexible, compensate for angular, radial and axial shaft misalignment
  • Intermediate rings loaded in compression
  • Elastomers available in various shore hardness degrees
  • Suitable for temperatures from –30°C to +100°C
  • The elastic ring can be replaced without having to move the coupled machines (multi-part models)
  • Bores up to max. 260 mm
  • Torques up to TKn = 41,000 Nm / TKmax = 97,500 Nm
  • Speeds up to nmax = 5,000 rpm

INTRODUCTION

The rotationally resilient coupling of the RINGFEDER® TNM series is flexible in all directions and therefore compensates for angular, parallel and axial shaft misalignments of the connected machines. Misalignments can be caused, for example, by inaccurate assembly, heat movements or settling phenomena.

Avoiding Torsional Vibration

By virtue of the rotational resilience of the coupling, dangerous torsional vibrations from the operational range of plant machinery can be transferred to rotational speed ranges in which no negative effects are to be expected. The elastic intermediate rings possess a high material damping capability which makes it possible for the couplings to keep the resonance enhancements within limits when passing through dangerous speed ranges, thereby protecting the coupled machines against damage. The couplings also mitigate torque shocks and cause a vibrating system that has been excited by an impact to come to rest very quickly due to the material damping qualities. The conduction of structure-borne noise is prevented.

Elastomer Materials

Synthetic rubbers are used as base material for the elastic elements of the TNM couplings. As a rule these are electrically conductive and therefore prevent undesirable static charges. For the elastic elements of the RINGFEDER® TNM coupling series, there are two different material hardnesses available as standard.

Pb 72 - nitrile butadien rubber (NBR) with a hardness of 72 Shore A.
Pb 82 - nitrile butadien rubber (NBR) with a hardness of 82 Shore A.
The resilience of the individual elastomer materials is designated by their Shore hardness. From these values an indirect conclusion can be drawn with respect to the torques the coupling is able to transmit and its spring stiffness. For further details, please see the technical data sheet.

Environmental conditions

The employed elastomer materials operate reliably in ambient temperature ranges of –30° to +100°C. Please contact RINGFEDER POWER TRANSMISSION if higher ambient temperatures are involved. The influence of the temperature on the coupling size selection is explained in more detail in the below-mentioned design directives. It is only allowed to operate the coupling in normal industrial air. Aggressive media may attack the coupling components, bolts and elastic elements, and, therefore, present a danger to the operational safety of the coupling. The coupling can be declared compliant with the European Directive 2014/34/EU (ATEX). Please contact RINGFEDER POWER TRANSMISSION regarding the declaration of conformity according to 2014/34/EU and the effects of aggressive ambient media.

 

Downloads

Product Paper Elastomer Jaw Couplings RINGFEDER® GWE, TNM, TNS, TNB

Product Paper Elastomer Jaw Couplings RINGFEDER® GWE, TNM, TNS, TNB

Tech Paper Elastomer Jaw Couplings RINGFEDER® TNM LG

Tech Paper Elastomer Jaw Couplings RINGFEDER® TNM LG

Instruction Manual Elastomer Jaw Couplings RINGFEDER® LG

Instruction Manual Elastomer Jaw Couplings RINGFEDER® LG

Further downloads including certificates, instruction manuals and product images are available to you in our Download Center:

Downloads