Elastomer Jaw Couplings TNM LE | RINGFEDER®

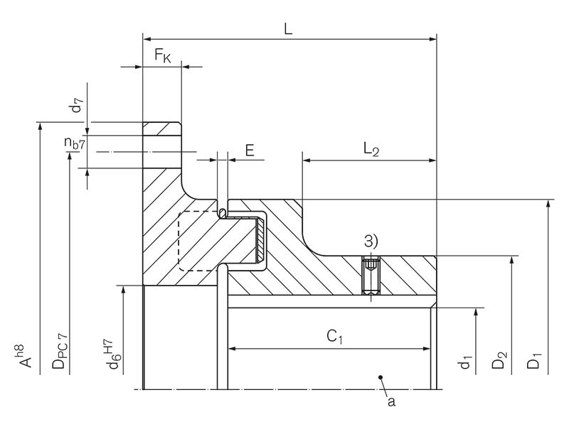
One part design with flange, externally centred

The RINGFEDER® TNM LE is a torsionally elastic and puncture-proof jaw coupling with screw-down flange. It balances out angular, radial and axial shaft offset within determined tolerances. The coupling transmits the torque via pre-compressed, elastic buffers in synthetic rubber (Perbunan; Pb) that are connected to one another into an intermediate ring. The elastic intermediate ring in synthetic rubber (Perbunan; Pb) damps impacts and torsional vibration and is electrically conductive, so that undesired static charging is avoided. The coupling can be used in any direction of rotation and installation position.

Technical Data & CAD Models

Download of CAD data is available to you after login with your personal Customer or Distributor Account. You do not have an account yet? Register here without any costs or obligations.

CAD
Bezeichnung / Identifier

D1


mm
TKNPb82
Nm
nmax
1/min
d1kmax
mm
D1
mm
C1
mm
FK
mm
DPC7
mm
nb7
d7
mm
L
mm
WN0806-106 106 35 10000 28 67 30 8 94 6 6,6 47,5
WN0808-120 120 75 8000 32 82 40 8 108 6 6,6 59
WN0809-144 144 150 7000 45 97 50 10 128 6 9 73
WN0811-158 158 230 6000 48 112 60 10 142 6 9 85,5
WN0812-180 180 380 5000 55 128 70 13 160 6 11 98,5
WN0814-200 200 600 4500 65 148 80 13 180 7 11 111,5
WN0816-220 220 980 4000 75 168 90 13 200 8 11 127,5
WN0819-248 248 1650 3500 85 194 100 16 224 8 14 141,5
WN0821-274 274 2400 3000 95 214 110 16 250 8 14 156
WN0824-314 314 3700 2750 110 240 120 20 282 8 18 169
WN0826-344 344 5800 2500 120 265 140 20 312 8 18 195,5
WN0829-380 380 7550 2250 130 295 150 22 348 9 18 210
WN0833-430 430 9900 2000 150 330 160 25 390 9 22 224
WN0837-480 480 14000 1750 170 370 180 25 440 10 22 250
WN0841-575 575 20500 1500 190 415 200 30 528 10 26 273
WN0848-615 615 28000 1400 210 480 220 30 568 10 26 293
WN0857-692 692 41000 1200 230 575 240 30 645 10 26 313
CAD Bezeichnung / Identifier

D1


inch
TKNPb82
ft-lbs
nmax
rpm
d1f max
inch
D1
inch
C1
inch
FK
inch
d6
inch
DPC7
inch
d7
inch
L
inch
  WN0806-106 4.173 26 10000 1.126 2.638 1.181 0.315 1.181 3.701 0.260 1.870
  WN0808-120 4.724 55 8000 1.252 3.228 1.575 0.315 1.575 4.252 0.260 2.323
  WN0809-144 5.669 111 7000 1.626 3.819 1.969 0.394 1.969 5.039 0.354 2.874
  WN0811-158 6.220 170 6000 1.815 4.409 2.362 0.394 2.362 5.591 0.354 3.366
  WN0812-180 7.087 280 5000 2.126 5.039 2.756 0.512 2.756 6.299 0.433 3.878
  WN0814-200 7.874 443 4500 2.441 5.827 3.150 0.512 3.543 7.087 0.433 4.390
  WN0816-220 8.661 723 4000 2.752 6.614 3.543 0.512 3.937 7.874 0.433 5.020
  WN0819-248 9.764 1217 3500 3.252 7.638 3.937 0.630 4.528 8.819 0.551 5.571
  WN0821-274 10.787 1770 3000 3.626 8.425 4.331 0.630 5.118 9.843 0.551 6.142
  WN0824-314 12.362 2729 2750 4.126 9.449 4.724 0.787 5.709 11.102 0.709 6.654
  WN0826-344 13.543 4278 2500 4.500 10.433 5.512 0.787 6.299 12.283 0.709 7.697
  WN0829-380 14.961 5569 2250 4.626 11.614 5.906 0.866 6.693 13.701 0.709 8.268
  WN0833-430 16.929 7302 2000 5.500 12.992 6.299 0.984 7.874 15.354 0.866 8.819
  WN0837-480 18.898 10326 1750 6.252 14.567 7.087 0.984 9.252 17.323 0.866 9.843
  WN0841-575 22.638 15120 1500 7.000 16.339 7.874 1.181 10.630 20.787 1.024 10.748
  WN0848-615 24.213 20652 1400 7.500 18.898 8.661 1.181 12.598 22.362 1.024 11.535
  WN0857-692 27.244 30240 1200 8.189 22.638 9.449 1.181 15.748 25.394 1.024 12.323

Product Characteristics

Elastomer Jaw Coupling RINGFEDER® TNM

RINGFEDER® TNM jaw couplings can be used universally in general engineering and are primarily utilised as drive and output couplings for gears, in pumps and screw compressor drives as well as in combined heat and power plants.

Advantages

  • Torsionally flexible
  • Damping of torsional vibrations
  • Blind connection
  • Many variations with modular design
  • Individual elastomers joined to one intermediate ring
  • Max. Torque: 27 – 97500 Nm
  • Easy replacement of elastomers

 

Characteristics TNM LE

  • Torsionally flexible, compensate for angular, radial and axial shaft misalignment
  • Pre-compressed individual buffers connected to an inter- mediate ring
  • Intermediate rings of different Shore hardness levels (standard Pb72, hard Pb82), can be used from –30 °C to +100 °C
  • Changing of the elastic intermediate ring with movement of the connected aggregates

 

  • Bores up to 230 mm
  • Torques up to TKn = 41000 Nm / TKmax = 97500 Nm
  • Speeds up to nmax = 5000 min-1

Basic information

Intermediate rings are available in two different material hardness levels (Pb72 and Pb82) for each coupling size. The harder the intermediate ring the higher the transmittable torque but also the higher the torsion spring stiffness. The nominal torque given in the data table for the TKN coupling can be transmitted continuously. The maximum coupling torque TKmax can be transmitted briefly up to 105 times, for example as occurs during start-up.

When the hard elastic element of Pb82 is used for multi-part coupling designs, it has to be taken into account that the maximum transmittable torque (TKGmax) is reduced. In these cases, TKmax is limited by the frictional engagement between the coupling hub and the claw ring.

Torsional vibration analyses (TVR) are performed by specialists to optimize the drive line. To this purpose, a detailed description of the oscillatory system is required, including the mechanical arrangement (spring-mass system) as well as the plant-related excitation functions. The specific coupling data such as stiffness, damping and mass moments of inertia will be supplied on request.

Downloads

Product Paper Elastomer Jaw Couplings RINGFEDER® GWE, TNM, TNS, TNB

Product Paper Elastomer Jaw Couplings RINGFEDER® GWE, TNM, TNS, TNB

Tech Paper Elastomer Jaw Couplings RINGFEDER® TNM LE

Tech Paper Elastomer Jaw Couplings RINGFEDER® TNM LE

Instruction Manual Elastomer Jaw Couplings RINGFEDER® TNM LE

Instruction Manual Elastomer Jaw Couplings RINGFEDER® TNM LE

Further downloads including certificates, instruction manuals and product images are available to you in our Download Center:

Downloads