Elastomer Jaw Couplings TNM GBT | RINGFEDER®

Three-part design with brake drum according to DIN 15431

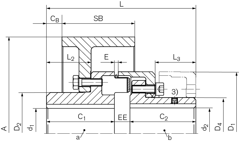
The RINGFEDER® TNM GBT is a torsionally flexible and shock-proof claw coupling with brake drum and removable claw ring. They compensate for angular as well as radial and axial shaft misalignment within fixed tolerances. The torque is transmitted through an elastic transitional ring. The elastic transitional ring made of synthetic rubber (Pb) dampens shocks and torsional vibrations, is oil-resistant, insensitive to temperature and normally electrically conductive. This prevents undesirable static charging, among other things. The coupling can be used for either direction of rotation and be installed in any position. One coupling half consists of a hub and a bolt on claw ring, for easy separation of the coupled machine. With the claw ring unbolted and slid back, a check of the rotational direction of the drive is possible. In the same manner, a coupling half with the associated aggregate can be removed radially. The elastic transitional ring permits replacing of machines without axial displacement.

Technical Data & CAD Models

Download of CAD data is available to you after login with your personal Customer or Distributor Account. You do not have an account yet? Register here without any costs or obligations.

CAD
Identifier
Größe/Size
A
mm
SB
mm
TKNPb82
Nm
TBR
Nm
nmax
1/min
d1kmax
mm
D1
mm
C1
mm
C2
mm
L
mm
WN0611-200 112 200 75 230 450 4200 42 112 60 58 133
WN0612-200 128 200 75 380 550 4200 52 128 70 68 154
WN0614-250 148 250 95 600 1000 3400 58 148 80 78 176
WN0616-250 168 250 95 980 1600 3400 72 168 90 87 198
WN0616-315 168 315 118 980 1600 2700 72 168 90 87 198
WN0619-315 194 315 118 1650 2750 2700 85 194 100 97 221
WN0621-315 214 315 118 2400 3350 2700 92 214 110 107 243
WN0621-400 214 400 150 2400 3350 2100 92 214 110 107 243
WN0624-400 240 400 150 3700 4200 2100 102 240 120 117 267
WN0624-500 240 500 190 3700 4200 1700 102 240 120 117 267
WN0626-500 265 500 190 5800 8700 1700 120 265 140 137 310
WN0629-500 295 500 190 7550 9800 1700 130 295 150 147 334
WN0629-630 295 630 236 7550 9800 1360 130 295 150 147 334
WN0633-630 330 630 236 9900 10600 1360 150 330 160 156 356
WN0633-710 330 710 265 9900 10600 1200 150 330 160 156 356
WN0637-710 370 710 265 14000 13500 1200 170 370 180 176 399
WN0641-710 415 710 265 20500 16000 1200 185 415 200 196 441
CAD Identifier
Größe/Size
A
inch
SB
inch
TKNPb82
ft-lbs
TBR
ft-lbs
nmax
rpm
d1kmax
inch
D1
inch
C1
inch
C2
inch
L
inch
  WN0611-200 112 7.874 2.953 170 332 4200 1.65354 4.409 2.362 2.283 5.236
  WN0612-200 128 7.874 2.953 280 406 4200 2.04724 5.039 2.756 2.677 6.063
  WN0614-250 148 9.843 3.740 443 738 3400 2.28346 5.827 3.150 3.071 6.929
  WN0616-250 168 9.843 3.740 723 1180 3400 2.83464 6.614 3.543 3.425 7.795
  WN0616-315 168 12.402 4.646 723 1180 2700 2.83464 6.614 3.543 3.425 7.795
  WN0619-315 194 12.402 4.646 1217 2028 2700 3.34645 7.638 3.937 3.819 8.701
  WN0621-315 214 12.402 4.646 1770 2471 2700 3.62204 8.425 4.331 4.213 9.567
  WN0621-400 214 15.748 5.906 1770 2471 2100 3.62204 8.425 4.331 4.213 9.567
  WN0624-400 240 15.748 5.906 2729 3098 2100 4.01574 9.449 4.724 4.606 10.512
  WN0624-500 240 19.685 7.480 2729 3098 1700 4.01574 9.449 4.724 4.606 10.512
  WN0626-500 265 19.685 7.480 4278 6417 1700 4.7244 10.433 5.512 5.394 12.205
  WN0629-500 295 19.685 7.480 5569 7228 1700 5.1181 11.614 5.906 5.787 13.150
  WN0629-630 295 24.803 9.291 5569 7228 1360 5.1181 11.614 5.906 5.787 13.150
  WN0633-630 330 24.803 9.291 7302 7818 1360 5.9055 12.992 6.299 6.142 14.016
  WN0633-710 330 27.953 10.433 7302 7818 1200 5.9055 12.992 6.299 6.142 14.016
  WN0637-710 370 27.953 10.433 10326 9957 1200 6.6929 14.567 7.087 6.929 15.709
  WN0641-710 415 27.953 10.433 15120 11801 1200 7.28345 16.339 7.874 7.717 17.362

Product Characteristics

RINGFEDER® TNM GBT

Three-part design, to change the intermediate ring without axial movement of the driven parts with brake drum acc. to DIN 15431. Brake drum in nodular cast iron, other materials on request. Elastic intermediate ring in different hardnesses: standard Pb72, hard Pb82.

General features

  • Torsionally flexible, compensate for angular, radial and axial shaft misalignment
  • Intermediate rings loaded in compression
  • Elastomers available in various shore hardness degrees
  • Suitable for temperatures from –30°C to +100°C
  • The elastic ring can be replaced without having to move the coupled machines (multi-part models)
  • Bores up to max. 280 mm
  • Torques up to TKn = 20,500 Nm / TKmax = 49,000 Nm
  • Speeds up to nmax = 4,200 rpm

INTRODUCTION

The rotationally resilient coupling of the RINGFEDER® TNM series is flexible in all directions and therefore compensates for angular, parallel and axial shaft misalignments of the connected machines. Misalignments can be caused, for example, by inaccurate assembly, heat movements or settling phenomena.

Avoiding Torsional Vibration

By virtue of the rotational resilience of the coupling, dangerous torsional vibrations from the operational range of plant machinery can be transferred to rotational speed ranges in which no negative effects are to be expected. The elastic intermediate rings possess a high material damping capability which makes it possible for the couplings to keep the resonance enhancements within limits when passing through dangerous speed ranges, thereby protecting the coupled machines against damage. The couplings also mitigate torque shocks and cause a vibrating system that has been excited by an impact to come to rest very quickly due to the material damping qualities. The conduction of structure-borne noise is prevented.

Elastomer Materials

Synthetic rubbers are used as base material for the elastic elements of the TNM couplings. As a rule these are electrically conductive and therefore prevent undesirable static charges. For the elastic elements of the RINGFEDER® TNM coupling series, there are two different material hardnesses available as standard.

Pb 72 - nitrile butadien rubber (NBR) with a hardness of 72 Shore A.
Pb 82 - nitrile butadien rubber (NBR) with a hardness of 82 Shore A.
The resilience of the individual elastomer materials is designated by their Shore hardness. From these values an indirect conclusion can be drawn with respect to the torques the coupling is able to transmit and its spring stiffness. For further details, please see the technical data sheet.

Environmental conditions

The employed elastomer materials operate reliably in ambient temperature ranges of –30° to +100°C. Please contact RINGFEDER POWER TRANSMISSION if higher ambient temperatures are involved. The influence of the temperature on the coupling size selection is explained in more detail in the below-mentioned design directives. It is only allowed to operate the coupling in normal industrial air. Aggressive media may attack the coupling components, bolts and elastic elements, and, therefore, present a danger to the operational safety of the coupling. The coupling can be declared compliant with the European Directive 2014/34/EU (ATEX). Please contact RINGFEDER POWER TRANSMISSION regarding the declaration of conformity according to 2014/34/EU and the effects of aggressive ambient media.

 

Downloads

Product Paper Elastomer Jaw Couplings RINGFEDER® GWE, TNM, TNS, TNB

Product Paper Elastomer Jaw Couplings RINGFEDER® GWE, TNM, TNS, TNB

Tech Paper Elastomer Jaw Couplings RINGFEDER® TNM GBT

Tech Paper Elastomer Jaw Couplings RINGFEDER® TNM GBT

Instruction Manual Elastomer Jaw Couplings RINGFEDER® TNM GBT, TNM GTW

Instruction Manual Elastomer Jaw Couplings RINGFEDER® TNM GBT, TNM GTW

Further downloads including certificates, instruction manuals and product images are available to you in our Download Center:

Downloads