Two-part design with brake disk - Brake disk made of nodular graphite iron
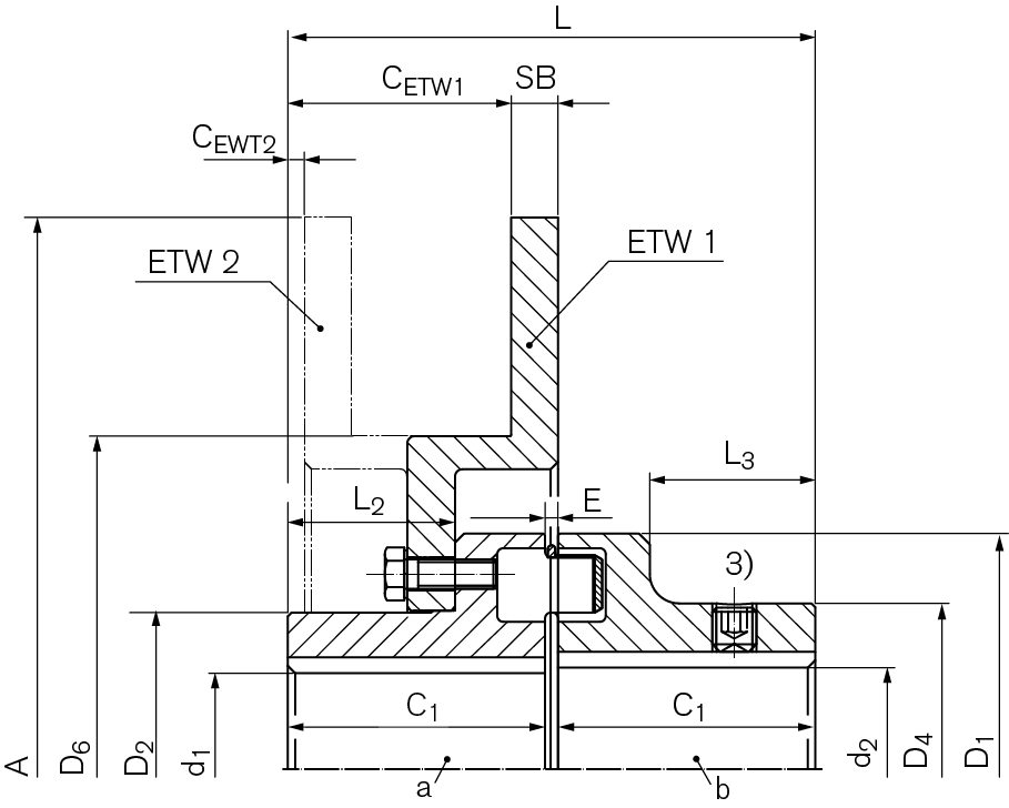
The Coupling RINGFEDER® TNM ETW is an torsionally flexible and shock-proof claw coupling with brake disc. They compensate for angular as well as radial and axial shaft misalignment within fixed tolerances. The torque is transmitted through an elastic transitional ring. The elastic transitional ring made of synthetic rubber (Pb) dampens shocks and torsional vibrations, is oil-resistant, insensitive to temperature and normally electrically conductive. This prevents undesirable static charging, among other things. The coupling can be used for either direction of rotation and be installed in any position.
| CAD |
Identifier
|
A
mm |
SB
mm |
TKNPb82
Nm |
TBR
Nm |
nmax
1/min |
d1f max
mm |
d2f max
mm |
D1
mm |
C1
mm |
L
mm |
Gwub
kg |
|---|---|---|---|---|---|---|---|---|---|---|---|---|
| WN0311-250 | 250 | 12,7 | 230 | 450 | 4580 | 41,3 | 46,1 | 112 | 60 | 123,5 | 8,8 | |
| WN0311-300 | 300 | 12,7 | 230 | 450 | 3820 | 41,3 | 46,1 | 112 | 60 | 123,5 | 11,7 | |
| WN0312-300 | 300 | 12,7 | 380 | 550 | 3820 | 49,9 | 54 | 128 | 70 | 143,5 | 14,6 | |
| WN0314-300 | 300 | 12,7 | 600 | 1000 | 3820 | 56 | 62 | 148 | 80 | 163,5 | 18,4 | |
| WN0316-356 | 356 | 12,7 | 980 | 1600 | 3225 | 68 | 69,9 | 168 | 90 | 183,5 | 28,0 | |
| WN0316-406 | 406 | 12,7 | 980 | 1600 | 2825 | 68 | 69,9 | 168 | 90 | 183,5 | 31,0 | |
| WN0319-406 | 406 | 12,7 | 1650 | 2750 | 2825 | 82,6 | 82,6 | 194 | 100 | 203,5 | 39,1 | |
| WN0319-457 | 457 | 12,7 | 1650 | 2750 | 2510 | 82,6 | 82,6 | 194 | 100 | 203,5 | 44,0 | |
| WN0321-406 | 406 | 12,7 | 2400 | 3350 | 2825 | 88,4 | 92,1 | 214 | 110 | 224 | 48,8 | |
| WN0321-514 | 514 | 12,7 | 2400 | 3350 | 2510 | 88,4 | 92,1 | 214 | 110 | 224,0 | 53,6 | |
| WN0324-457 | 457 | 12,7 | 3700 | 4200 | 2510 | 96,6 | 104,8 | 240 | 120 | 244 | 67,0 | |
| WN0324-514 | 514 | 12,7 | 3700 | 4200 | 2230 | 96,6 | 104,8 | 240 | 120 | 244 | 72,0 | |
| WN0326-457 | 457 | 12,7 | 5800 | 8700 | 2510 | 114,3 | 114,3 | 265 | 140 | 285,5 | 89,4 | |
| WN0326-514 | 514 | 12,7 | 5800 | 8700 | 2230 | 114,3 | 114,3 | 265 | 140 | 285,5 | 94,2 | |
| WN0329-514 | 514 | 12,7 | 7550 | 9800 | 2230 | 117,5 | 117,5 | 295 | 150 | 308 | 113,5 | |
| WN0329-610 | 610 | 12,7 | 7550 | 9800 | 1880 | 117,5 | 117,5 | 295 | 150 | 308 | 124,5 | |
| WN0333-514 | 514 | 12,7 | 9900 | 10600 | 2230 | 139,7 | 139,7 | 330 | 160 | 328,0 | 149,3 | |
| WN0333-610 | 610 | 12,7 | 9900 | 10600 | 1880 | 139,7 | 139,7 | 330 | 160 | 328 | 160,3 | |
| WN0337-610 | 610 | 12,7 | 14000 | 13500 | 1880 | 158,8 | 158,8 | 370 | 180 | 368 | 212,7 | |
| WN0337-711 | 711 | 12,7 | 14000 | 13500 | 1615 | 158,8 | 158,8 | 370 | 180 | 368 | 227,9 | |
| WN0341-610 | 610 | 12,7 | 20500 | 16000 | 1880 | 174,7 | 177,8 | 415 | 200 | 408 | 279,5 | |
| WN0341-711 | 711 | 12,7 | 20500 | 16000 | 1615 | 174,7 | 177,8 | 415 | 200 | 408 | 294,3 | |
| WN0341-812 | 812 | 12,7 | 20500 | 16000 | 1410 | 174,7 | 177,8 | 415 | 200 | 408 | 326,4 | |
| WN0341-915 | 915 | 12,7 | 20500 | 16000 | 1255 | 174,7 | 177,8 | 415 | 200 | 408 | 356,8 |
| CAD |
Identifier |
A inch |
SB inch |
TKNPb82 ft-lbs |
TBR ft-lbs |
nmax rpm |
d1f max inch |
d2f max inch |
D1 inch |
C1 inch |
L inch |
Gwub lbs |
|---|---|---|---|---|---|---|---|---|---|---|---|---|
| WN0311-250 | 9.843 | 0.50 | 170 | 332 | 4580 | 1.626 | 1.815 | 4.409 | 2.362 | 4.862 | 19.40 | |
| WN0311-300 | 11.811 | 0.50 | 170 | 332 | 3820 | 1.626 | 1.815 | 4.409 | 2.362 | 4.862 | 25.79 | |
| WN0312-300 | 11.811 | 0.50 | 280 | 406 | 3820 | 1.965 | 2.126 | 5.039 | 2.756 | 5.650 | 32.19 | |
| WN0314-300 | 11.811 | 0.50 | 443 | 738 | 3820 | 2.205 | 2.441 | 5.827 | 3.150 | 6.437 | 40.57 | |
| WN0316-356 | 14.016 | 0.50 | 723 | 1180 | 3225 | 2.677 | 2.752 | 6.614 | 3.543 | 7.224 | 61.73 | |
| WN0316-406 | 15.984 | 0.50 | 723 | 1180 | 2825 | 2.677 | 2.752 | 6.614 | 3.543 | 7.224 | 68.34 | |
| WN0319-406 | 15.984 | 0.50 | 1217 | 2028 | 2825 | 3.252 | 3.252 | 7.638 | 3.937 | 8.012 | 86.20 | |
| WN0319-457 | 17.992 | 0.50 | 1217 | 2028 | 2510 | 3.252 | 3.252 | 7.638 | 3.937 | 8.012 | 97.00 | |
| WN0321-406 | 15.984 | 0.50 | 1770 | 2471 | 2825 | 3.480 | 3.626 | 8.425 | 4.331 | 8.819 | 107.59 | |
| WN0321-514 | 20.236 | 0.50 | 1770 | 2471 | 2510 | 3.480 | 3.626 | 8.425 | 4.331 | 8.819 | 118.17 | |
| WN0324-457 | 17.992 | 0.50 | 2729 | 3098 | 2510 | 3.803 | 4.126 | 9.449 | 4.724 | 9.606 | 147.71 | |
| WN0324-514 | 20.236 | 0.50 | 2729 | 3098 | 2230 | 3.803 | 4.126 | 9.449 | 4.724 | 9.606 | 158.73 | |
| WN0326-457 | 17.992 | 0.50 | 4278 | 6417 | 2510 | 4.500 | 4.500 | 10.433 | 5.512 | 11.240 | 197.09 | |
| WN0326-514 | 20.236 | 0.50 | 4278 | 6417 | 2230 | 4.500 | 4.500 | 10.433 | 5.512 | 11.240 | 207.68 | |
| WN0329-514 | 20.236 | 0.50 | 5569 | 7228 | 2230 | 4.626 | 4.626 | 11.614 | 5.906 | 12.126 | 250.22 | |
| WN0329-610 | 24.016 | 0.50 | 5569 | 7228 | 1880 | 4.626 | 4.626 | 11.614 | 5.906 | 12.126 | 274.48 | |
| WN0333-514 | 20.236 | 0.50 | 7302 | 7818 | 2230 | 5.500 | 5.500 | 12.992 | 6.299 | 12.913 | 329.15 | |
| WN0333-610 | 24.016 | 0.50 | 7302 | 7818 | 1880 | 5.500 | 5.500 | 12.992 | 6.299 | 12.913 | 353.40 | |
| WN0337-610 | 24.016 | 0.50 | 10326 | 9957 | 1880 | 6.252 | 6.252 | 14.567 | 7.087 | 14.488 | 468.92 | |
| WN0337-711 | 27.992 | 0.50 | 10326 | 9957 | 1615 | 6.252 | 6.252 | 14.567 | 7.087 | 14.488 | 502.43 | |
| WN0341-610 | 24.016 | 0.50 | 15120 | 11801 | 1880 | 6.878 | 7.000 | 16.339 | 7.874 | 16.063 | 616.19 | |
| WN0341-711 | 27.992 | 0.50 | 15120 | 11801 | 1615 | 6.878 | 7.000 | 16.339 | 7.874 | 16.063 | 648.82 | |
| WN0341-812 | 31.968 | 0.50 | 15120 | 11801 | 1410 | 6.878 | 7.000 | 16.339 | 7.874 | 16.063 | 719.59 | |
| WN0341-915 | 36.024 | 0.50 | 15120 | 11801 | 1255 | 6.878 | 7.000 | 16.339 | 7.874 | 16.063 | 786.61 |
Two part design with brake disk in nodular cast iron. Elastic intermediate ring in different hardnesses: standard Pb72, hard Pb82.
The rotationally resilient coupling of the RINGFEDER® TNM series is flexible in all directions and therefore compensates for angular, parallel and axial shaft misalignments of the connected machines. Misalignments can be caused, for example, by inaccurate assembly, heat movements or settling phenomena.
By virtue of the rotational resilience of the coupling, dangerous torsional vibrations from the operational range of plant machinery can be transferred to rotational speed ranges in which no negative effects are to be expected. The elastic intermediate rings possess a high material damping capability which makes it possible for the couplings to keep the resonance enhancements within limits when passing through dangerous speed ranges, thereby protecting the coupled machines against damage. The couplings also mitigate torque shocks and cause a vibrating system that has been excited by an impact to come to rest very quickly due to the material damping qualities. The conduction of structure-borne noise is prevented.
Synthetic rubbers are used as base material for the elastic elements of the TNM couplings. As a rule these are electrically conductive and therefore prevent undesirable static charges. For the elastic elements of the RINGFEDER® TNM coupling series, there are two different material hardnesses available as standard.
Pb 72 - nitrile butadien rubber (NBR) with a hardness of 72 Shore A.
Pb 82 - nitrile butadien rubber (NBR) with a hardness of 82 Shore A.
The resilience of the individual elastomer materials is designated by their Shore hardness. From these values an indirect conclusion can be drawn with respect to the torques the coupling is able to transmit and its spring stiffness. For further details, please see the technical data sheet.
The employed elastomer materials operate reliably in ambient temperature ranges of –30° to +100°C. Please contact RINGFEDER POWER TRANSMISSION if higher ambient temperatures are involved. The influence of the temperature on the coupling size selection is explained in more detail in the below-mentioned design directives. It is only allowed to operate the coupling in normal industrial air. Aggressive media may attack the coupling components, bolts and elastic elements, and, therefore, present a danger to the operational safety of the coupling. The coupling can be declared compliant with the European Directive 2014/34/EU (ATEX). Please contact RINGFEDER POWER TRANSMISSION regarding the declaration of conformity according to 2014/34/EU and the effects of aggressive ambient media.
Product Paper Elastomer Jaw Couplings RINGFEDER® GWE, TNM, TNS, TNB
Tech Paper Elastomer Jaw Couplings RINGFEDER® TNM ETW
Instruction Manual Elastomer Jaw Couplings RINGFEDER® TNM EBT, TNM ETW
Further downloads including certificates, instruction manuals and product images are available to you in our Download Center:
Downloads