Elastomer Jaw Couplings TNM EBT | RINGFEDER®

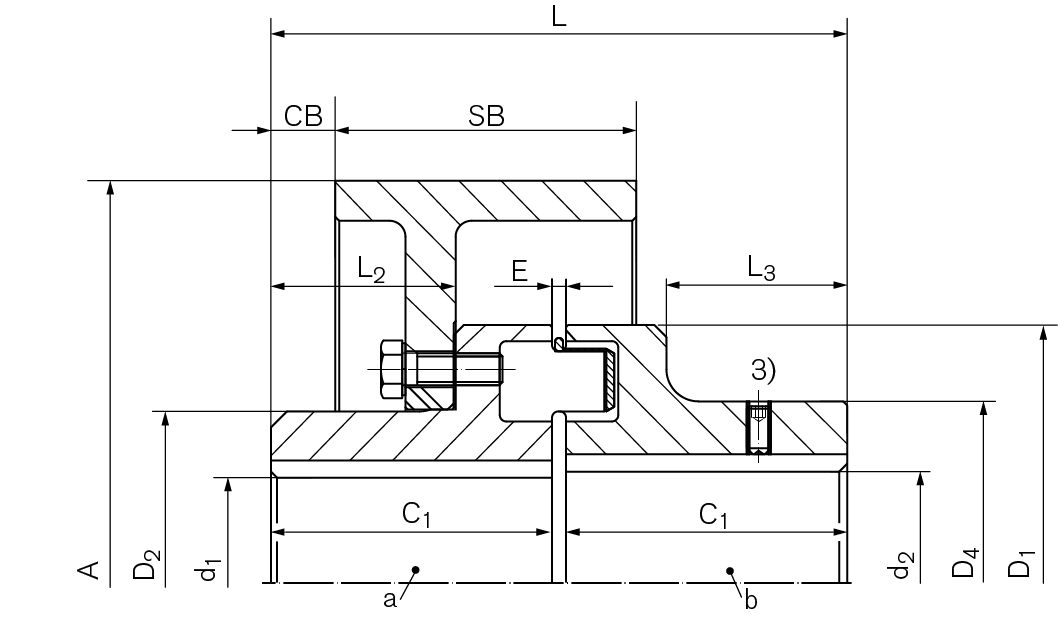
Two-part design with brake drum according to DIN 15431

The coupling RINGFEDER® TNM EBT is a torsionally elastic and puncture-proof claw coupling. It balances out angular, radial, and axial shaft misalignments within defined limits. The coupling transfers the torque via pressure loadable, elastic buffers of synthetic rubber (Pb) which are joined together as an intermediate ring. The elastic intermediate ring can cushion impacts and torsional vibrations; it is oil-resistant and electrically conductive. The coupling is usable in every sense of rotation and installation position.

Technical Data & CAD Models

Download of CAD data is available to you after login with your personal Customer or Distributor Account. You do not have an account yet? Register here without any costs or obligations.

CAD
Identifier
A
mm
SB
mm
TKNPb82
Nm
TBR
Nm
nmax
1/min
d1kmax
mm
D1
mm
C1
mm
L
mm
Gwub
kg
WN0511-200 200 75 230 450 4200 42 112 60 123,5 9,9
WN0512-200 200 75 380 550 4200 52 128 70 143,5 13,0
WN0514-250 250 95 600 1000 3400 58 148 80 163,5 21,1
WN0516-250 250 95 980 1600 3400 72 168 90 183,5 27,7
WN0516-315 315 118 980 1600 2700 72 168 90 183,5 36,9
WN0519-315 315 118 1650 2750 2700 85 194 100 203,5 44,7
WN0521-315 315 118 2400 3350 2700 92 214 110 224 55,0
WN0521-400 400 150 2400 3350 2100 90 214 110 224 70,8
WN0524-400 400 150 3700 4200 2100 102 240 120 244 84,4
WN0524-500 500 190 3700 4200 1700 102 240 120 244 111,4
WN0526-500 500 190 5800 8700 1700 120 265 140 285,5 134,1
WN0529-500 500 190 7550 9800 1700 130 295 150 308 153,9
WN0529-630 630 236 7550 9800 1360 130 295 150 308 207,5
WN0533-630 630 236 9900 10600 1360 150 330 160 328 243,1
WN0533-710 710 265 9900 10600 1200 150 330 160 328 281,3
WN0537-710 710 265 14000 13500 1200 170 370 180 368 366,2
WN0541-710 710 265 20500 16000 1200 185 415 200 408 415,4
CAD Identifier
A
inch
SB
inch
TKNPb82
ft-lbs
TBR
ft-lbs
nmax
rpm
d1kmax
inch
D1
inch
C1
inch
L
inch
Gwub
lbs
  WN0511-200 7.874 2.953 170 332 4200 1.65354 4.409 2.362 4.862 21.83
  WN0512-200 7.874 2.953 280 406 4200 2.04724 5.039 2.756 5.650 28.66
  WN0514-250 9.843 3.740 443 738 3400 2.28346 5.827 3.150 6.437 46.52
  WN0516-250 9.843 3.740 723 1180 3400 2.83464 6.614 3.543 7.224 61.07
  WN0516-315 12.402 4.646 723 1180 2700 2.83464 6.614 3.543 7.224 81.35
  WN0519-315 12.402 4.646 1217 2028 2700 3.34645 7.638 3.937 8.012 98.55
  WN0521-315 12.402 4.646 1770 2471 2700 3.62204 8.425 4.331 8.819 121.25
  WN0521-400 15.748 5.906 1770 2471 2100 3.5433 8.425 4.331 8.819 156.09
  WN0524-400 15.748 5.906 2729 3098 2100 4.01574 9.449 4.724 9.606 186.07
  WN0524-500 19.685 7.480 2729 3098 1700 4.01574 9.449 4.724 9.606 245.60
  WN0526-500 19.685 7.480 4278 6417 1700 4.7244 10.433 5.512 11.240 295.64
  WN0529-500 19.685 7.480 5569 7228 1700 5.1181 11.614 5.906 12.126 339.29
  WN0529-630 24.803 9.291 5569 7228 1360 5.1181 11.614 5.906 12.126 457.46
  WN0533-630 24.803 9.291 7302 7818 1360 5.9055 12.992 6.299 12.913 535.94
  WN0533-710 27.953 10.433 7302 7818 1200 5.9055 12.992 6.299 12.913 620.16
  WN0537-710 27.953 10.433 10326 9957 1200 6.6929 14.567 7.087 14.488 807.33
  WN0541-710 27.953 10.433 15120 11801 1200 7.28345 16.339 7.874 16.063 915.80

Product Characteristics

RINGFEDER® TNM EBT

Two part design with brake drum acc. to DIN 15431. Brake drum in nodular cast iron, other materials on request. Elastic intermediate ring in different hardnesses: standard Pb72, hard Pb82.

General features

  • Torsionally flexible, compensate for angular, radial and axial shaft misalignment
  • Intermediate rings loaded in compression
  • Elastomers available in various shore hardness degrees
  • Suitable for temperatures from –30°C to +100°C
  • The elastic ring can be replaced only with move a part of the coupled machines (two part design).
  • Bores up to max. 190 mm
  • Torques up to TKn = 20,500 Nm / TKmax = 49,000 Nm
  • Speeds up to nmax = 4,200 rpm

INTRODUCTION

The rotationally resilient coupling of the RINGFEDER® TNM series is flexible in all directions and therefore compensates for angular, parallel and axial shaft misalignments of the connected machines. Misalignments can be caused, for example, by inaccurate assembly, heat movements or settling phenomena.

Avoiding Torsional Vibration

By virtue of the rotational resilience of the coupling, dangerous torsional vibrations from the operational range of plant machinery can be transfer to rotational speed ranges in which no negative effects are to be expected. The elastic intermediate rings possess a high material damping capability which makes it possible for the couplings to keep the resonance enhancements within limits when passing through dangerous speed ranges, thereby protecting the coupled machines against damage. The couplings also mitigate torque shocks and cause a vibrating system that has been excited by an impact to come to rest very quickly due to the material damping qualities. The conduction of structure-borne noise is prevented.

Elastomer Materials

Synthetic rubbers are used as base material for the elastic elements of the TNM couplings. As a rule these are electrically conductive and therefore prevent undesirable static charges. For the elastic elements of the RINGFEDER® TNM coupling series, there are two different material hardnesses available as standard.

Pb 72- nitrile butadien rubber (NBR) with a hardness of 72 Shore A.
Pb 82- nitrile butadien rubber (NBR) with a hardness of 82 Shore A.
The resilience of the individual elastomer materials is designated by their Shore hardness. From these values an indirect conclusion can be drawn with respect to the torques the coupling is able to transmit and its spring stiffness. For further details, please see the technical data sheet.

Environmental conditions

The employed elastomer materials operate reliably in ambient temperature ranges of –30° to +100°C. Please contact RINGFEDER POWER TRANSMISSION if higher ambient temperatures are involved. The influence of the temperature on the coupling size selection is explained in more detail in the below-mentioned design directives. It is only allowed to operate the coupling in normal industrial air. Aggressive media may attack the coupling components, bolts and elastic elements, and, therefore, present a danger to the operational safety of the coupling. The coupling can be declared compliant with the European Directive 2014/34/EU (ATEX). Please contact RINGFEDER POWER TRANSMISSION regarding the declaration of conformity according to 2014/34/EU and the effects of aggressive ambient media.

 

Downloads

Product Paper Elastomer Jaw Couplings RINGFEDER® GWE, TNM, TNS, TNB

Product Paper Elastomer Jaw Couplings RINGFEDER® GWE, TNM, TNS, TNB

Tech Paper Elastomer Jaw Couplings RINGFEDER® TNM EBT

Tech Paper Elastomer Jaw Couplings RINGFEDER® TNM EBT

Instruction Manual Elastomer Jaw Couplings RINGFEDER® TNM EBT, TNM ETW

Instruction Manual Elastomer Jaw Couplings RINGFEDER® TNM EBT, TNM ETW

Further downloads including certificates, instruction manuals and product images are available to you in our Download Center:

Downloads