Elastomer Jaw Couplings TNB BHDDVV | RINGFEDER®

Multi-part design coupling with VKR buffers - Symmetrical configuration, Customized hubs also available

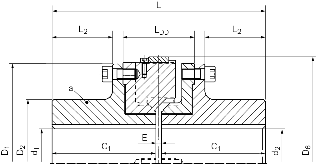
The RINGFEDER® TNB BHDDVV - coupling is a torsionally flexible, puncture proof claw coupling. It compensates for angular, radial and axial shaft misalignments within defined limits. The coupling transmits torque through elastic buffers loaded in shear. These buffers come in synthetic rubber (Pb) or polyurethane (Vk), as a standard VkR. These elastic buffers dampen shocks and torsional vibrations and are resistant to oil. When the claw ring is pulled back it is easily possible to check the rotational direction of the drive. The coupling is suitable for use in every direction of rotation and installation position.

Technical Data & CAD Models

Download of CAD data is available to you after login with your personal Customer or Distributor Account. You do not have an account yet? Register here without any costs or obligations.

CAD
Identifier
TKN
Nm
nmax
1/min
d1f max
mm
d2f max
mm
D1
mm
D2
mm
C1
mm
L
mm
L2
mm
Gwub
kg
WB1624 2500 4100 82,6 82,6 240 140 130 270 68 54
WB1630 6000 3300 104,8 104,8 300 170 160 330 85 102
WB1635 10500 2800 114,3 114,3 350 180 180 370 105 137
WB1640 16000 2450 130,2 130,2 400 210 190 390 106 200
WB1645 21000 2200 158,8 158,8 450 250 200 410 116 263
WB1650 28500 2000 165,1 165,1 500 270 228 470 130 373
WB1655 45000 1800 184,2 184,2 550 280 228 470 130 429
WB1660 55000 1650 212,73 212,73 600 330 258 530 155 595
WB1665 65000 1500 228,6 228,6 650 350 258 530 146 688
WB1670 90000 1400 228,6 228,6 700 370 298 610 175 910
WB1680 120000 1200 279,4 279,4 800 450 338 690 215 1350
WB1690 180000 1100 304,8 304,8 900 480 338 690 203 1602
CAD Identifier
TKN
ft-lbs
nmax
rpm
d1f max
inch
d2f max
inch
D1
inch
D2
inch
C1
inch
L
inch
L2
inch
Gwub
lbs
  WB1624 1844 4100 3.252 3.252 9.449 5.512 5.118 10.630 2.677 119.05
  WB1630 4425 3300 4.126 4.126 11.811 6.693 6.299 12.992 3.346 224.87
  WB1635 7744 2800 4.500 4.500 13.780 7.087 7.087 14.567 4.134 302.03
  WB1640 11801 2450 5.126 5.126 15.748 8.268 7.480 15.354 4.173 440.92
  WB1645 15489 2200 6.252 6.252 17.717 9.843 7.874 16.142 4.567 579.82
  WB1650 21021 2000 6.500 6.500 19.685 10.630 8.976 18.504 5.118 822.32
  WB1655 33191 1800 7.252 7.252 21.654 11.024 8.976 18.504 5.118 945.78
  WB1660 40566 1650 8.375 8.375 23.622 12.992 10.157 20.866 6.102 1311.75
  WB1665 47942 1500 9.000 9.000 25.591 13.780 10.157 20.866 5.748 1516.78
  WB1670 66381 1400 9.000 9.000 27.559 14.567 11.732 24.016 6.890 2006.21
  WB1680 88508 1200 11.000 11.000 31.496 17.717 13.307 27.165 8.465 2976.24
  WB1690 132763 1100 12.000 12.000 35.433 18.898 13.307 27.165 7.992 3531.81

Product Characteristics

RINGFEDER® TNB Type BHDDVV

Symmetrical design for short shaft distances, a combination of two two-part design coupling hubs and VkR buffer. Easy replacement of the elastic buffer without axial movement of the coupled machines. Customized hubs and special hub materials are available on request.

General features

  • Torsionally flexible, compensate for angular, radial and axial shaft misalignment
  • Buffers loaded in compression
  • Buffers can be replaced radially without having to move the coupled machines
  • Elastomers available in various shore hardness degrees
  • Suitable for temperatures from –30°C to +100°C
  • Outer diameter up to 900 mm
  • Bores up to max. 400 mm
  • Torques up to TKn = 260,000 Nm / TKmax = 780,000 Nm
  • Speeds up to nmax = 4,100 rpm


INTRODUCTION

The rotationally resilient, failsafe claw coupling RINGFEDER® TNB series is flexible in all directions and therefore compensates for angular, parallel and axial shaft misalignments of the connected machines. Misalignments can be caused, for example, by inaccurate assembly, heat movements or settling phenomena.

Avoiding Torsional Vibration

By virtue of the rotational resilience of the coupling, dangerous torsional vibrations from the operational range of plant machinery can be transferred to rotational speed ranges in which no negative effects are to be expected. The elastic buffers possess a high material damping capability which makes it possible for the couplings to keep the resonance enhancements within limits when passing through dangerous speed ranges, thereby protecting the coupled machines against damage. The couplings also mitigate torque shocks and cause a vibrating system that has been excited by an impact to come to rest very quickly due to the material damping qualities. The conduction of structure-borne noise is prevented.

Elastomer Materials

The elastic RINGFEDER® TNB buffers are made of butadiene-nitril-rubber (Pb82) or polyurethane (VkR, VkW). The black buffer (Pb82) are normally electrically conductive and therefore prevent undesirable electrostatic charges. The red (VkR) and white (VkW) buffers ensure electrical insulation between connected machines as long as there are no other electrically conductive connections. The resilience of the individual elastomer materials is designated by their Shore hardness. From these values an indirect conclusion can be drawn with respect to the torques the coupling is able to transmit and its spring stiffness. For further details, please see the technical data sheet.

Environmental conditions

The employed elastomer materials operate reliably in ambient temperature ranges of –30° to +100°C. Please contact RINGFEDER POWER TRANSMISSION if higher ambient temperatures are involved. The influence of the temperature on the coupling size selection is explained in more detail in the below-mentioned design directives. It is only allowed to operate the coupling in normal industrial air. Aggressive media may attack the coupling components, bolts and elastic elements, and, therefore, present a danger to the operational safety of the coupling. The coupling can be declared compliant with the European Directive 2014/34/EU (ATEX). Please contact RINGFEDER POWER TRANSMISSION regarding the declaration of conformity according to 2014/34/EU and the effects of aggressive ambient media.

 

Downloads

Product Paper Elastomer Jaw Couplings RINGFEDER® GWE, TNM, TNS, TNB

Product Paper Elastomer Jaw Couplings RINGFEDER® GWE, TNM, TNS, TNB

Tech Paper Elastomer Jaw Couplings RINGFEDER® TNB BHDDVV

Tech Paper Elastomer Jaw Couplings RINGFEDER® TNB BHDDVV

Instruction Manual Elastomer Jaw Couplings RINGFEDER® TNB BHDD, TNB BHDDV, TNB BHDDVV

Instruction Manual Elastomer Jaw Couplings RINGFEDER® TNB BHDD, TNB BHDDV, TNB BHDDVV

Further downloads including certificates, instruction manuals and product images are available to you in our Download Center:

Downloads