Elastomer Jaw Couplings TNB BH | RINGFEDER®

One-part design with VKW buffers for highest torque transmission

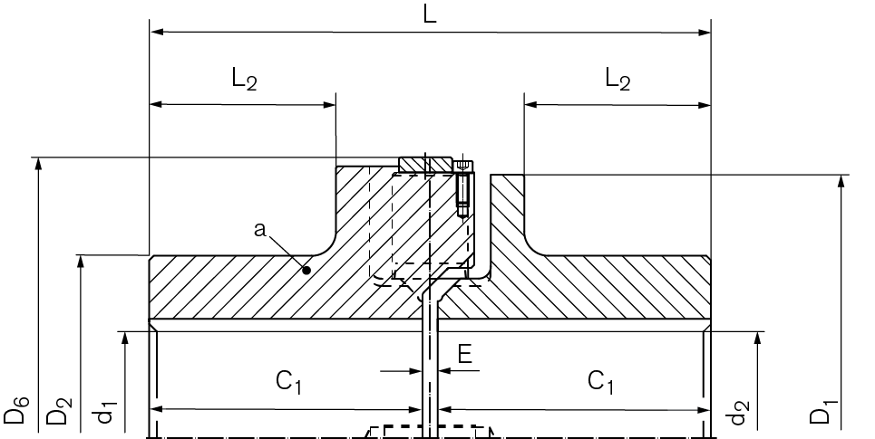
The RINGFEDER® TNB BH coupling is a torsionally flexible, puncture proof claw coupling. It compensates for angular, radial and axial shaft misalignments within defined limits. The coupling transmits torque through elastic buffers loaded in compression. These buffers come in synthetic rubber (Pb) or polyurethane (Vk), as a standard VkW. These elastic buffers dampen shocks and torsional vibrations and are resistant to oil. The coupling is suitable for use in every direction of rotation and installation position.

Technical Data & CAD Models

Download of CAD data is available to you after login with your personal Customer or Distributor Account. You do not have an account yet? Register here without any costs or obligations.

CAD
Identifier
Size
TKN
Nm
nmax
1/min
d1kmax
mm
D1
mm
D2
mm
D6
mm
C1
mm
L
mm
L2
mm
Gwub
kg
WB0130 300 8600 3300 135 300 210 320 160 330 103 101
WB0135 350 15000 2800 160 350 240 370 180 370 123 145
WB0140 400 23000 2450 180 400 270 420 198 406 134 210
WB0145 450 31000 2200 200 450 300 470 218 446 154 275
WB0150 500 41200 2000 220 500 330 530 236,5 487 163,5 371
WB0155 550 66000 1800 240 550 350 580 256,5 527 183,5 456
WB0160 600 80000 1650 250 600 375 630 258 530 180 565
WB0165 650 94000 1500 260 650 400 680 286,5 587 202,5 705
WB0170 700 130000 1400 300 700 450 740 327 668 234 985
WB0180 800 180000 1200 330 800 490 840 357 728 264 1285
WB0190 900 260000 1100 360 900 540 940 407 828 307 1790
CAD Identifier
Size
TKN
ft-lbs
nmax
rpm
d1kmax
inch
D1
inch
D2
inch
D6
inch
C1
inch
L
inch
L2
inch
Gwub
lbs
  WB0130 300 6343 3300 5.31495 11.811 8.268 12.598 6.299 12.992 4.055 222.67
  WB0135 350 11064 2800 6.2992 13.780 9.449 14.567 7.087 14.567 4.843 319.67
  WB0140 400 16964 2450 7.0866 15.748 10.630 16.535 7.795 15.984 5.276 462.97
  WB0145 450 22865 2200 7.874 17.717 11.811 18.504 8.583 17.559 6.063 606.27
  WB0150 500 30388 2000 8.6614 19.685 12.992 20.866 9.311 19.173 6.437 817.92
  WB0155 550 48680 1800 9.4488 21.654 13.780 22.835 10.098 20.748 7.224 1005.31
  WB0160 600 59006 1650 9.8425 23.622 14.764 24.803 10.157 20.866 7.087 1245.61
  WB0165 650 69332 1500 10.2362 25.591 15.748 26.772 11.280 23.110 7.972 1554.26
  WB0170 700 95884 1400 11.811 27.559 17.717 29.134 12.874 26.299 9.213 2171.56
  WB0180 800 132763 1200 12.9921 31.496 19.291 33.071 14.055 28.661 10.394 2832.94
  WB0190 900 191768 1100 14.1732 35.433 21.260 37.008 16.024 32.598 12.087 3946.28

Product Characteristics

RINGFEDER®-TNB Type BH

One-part design with VkW buffer for highest torque transmission. Easy replacement of the elastic buffer without axial movement of the coupled machines.

General features

  • Torsionally flexible, compensate for angular, radial and axial shaft misalignment
  • Buffers loaded in compression
  • Buffers can be replaced radially without having to move the coupled machines
  • Elastomers available in various shore hardness degrees
  • Suitable for temperatures from –30°C to +100°C
  • Outer diameter up to 900 mm
  • Bores up to max. 360 mm
  • Torques up to TKn = 260,000 Nm / TKmax = 780,000 Nm
  • Speeds up to nmax = 4,100 rpm


INTRODUCTION

The rotationally resilient, failsafe claw coupling RINGFEDER® TNB series is flexible in all directions and therefore compensates for angular, parallel and axial shaft misalignments of the connected machines. Misalignments can be caused, for example, by inaccurate assembly, heat movements or settling phenomena.

Avoiding Torsional Vibration

By virtue of the rotational resilience of the coupling, dangerous torsional vibrations from the operational range of plant machinery can be transferred to rotational speed ranges in which no negative effects are to be expected. The elastic buffers possess a high material damping capability which makes it possible for the couplings to keep the resonance enhancements within limits when passing through dangerous speed ranges, thereby protecting the coupled machines against damage. The couplings also mitigate torque shocks and cause a vibrating system that has been excited by an impact to come to rest very quickly due to the material damping qualities. The conduction of structure-borne noise is prevented.

Elastomer Materials

The elastic RINGFEDER® TNB buffers are made of butadiene-nitril-rubber (Pb82) or polyurethane (VkR, VkW). The black buffer (Pb82) are normally electrically conductive and therefore prevent undesirable electrostatic charges. The red (VkR) and white (VkW) buffers ensure electrical insulation between connected machines as long as there are no other electrically conductive connections. The resilience of the individual elastomer materials is designated by their Shore hardness. From these values an indirect conclusion can be drawn with respect to the torques the coupling is able to transmit and its spring stiffness. For further details, please see the technical data sheet.

Environmental conditions

The employed elastomer materials operate reliably in ambient temperature ranges of –30° to +100°C. Please contact RINGFEDER POWER TRANSMISSION if higher ambient temperatures are involved. The influence of the temperature on the coupling size selection is explained in more detail in the below-mentioned design directives. It is only allowed to operate the coupling in normal industrial air. Aggressive media may attack the coupling components, bolts and elastic elements, and, therefore, present a danger to the operational safety of the coupling. The coupling can be declared compliant with the European Directive 2014/34/EU (ATEX). Please contact RINGFEDER POWER TRANSMISSION regarding the declaration of conformity according to 2014/34/EU and the effects of aggressive ambient media.

Downloads

Product Paper Elastomer Jaw Couplings RINGFEDER® GWE, TNM, TNS, TNB

Product Paper Elastomer Jaw Couplings RINGFEDER® GWE, TNM, TNS, TNB

Tech Paper Elastomer Jaw Couplings RINGFEDER® TNB BH

Tech Paper Elastomer Jaw Couplings RINGFEDER® TNB BH

Instruction Manual Elastomer Jaw Couplings RINGFEDER® TNB BH

Instruction Manual Elastomer Jaw Couplings RINGFEDER® TNB BH

Further downloads including certificates, instruction manuals and product images are available to you in our Download Center:

Downloads